Запчасти Komatsu MX35 КАПОТ (НАВЕС) ЧАСТИ КОРПУСА

Схема запчастей Komatsu MX35 - КАПОТ (НАВЕС) ЧАСТИ КОРПУСА
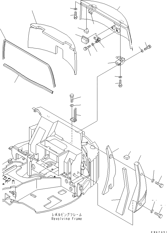
1
2
3
4
5
6
7
8
9
10
11
11
12
13
14
15
16
17
18
19
20
21
22
23
24
24
25
25
FIT
1:1
100%

Артикул

Название

Примечание

Количество

|1

452-827

HOOD ASS'Y

2

456-361

SHEET

3

456-042

SEAL

4

456-043

SEAL

5

453-275

LOCK ASS'Y

6

107-975

BOLT

7

455-220

WASHER

8

451-291

CATCH

9

452-790

HINGE

10

452-791

HINGE

11

105-274

BOLT

12

455-220

WASHER

13

455-169

WASHER

14

456-327

SHEET

15

107-966

BOLT

16

455-141

WASHER

17

450-386

BRACKET

18

107-966

BOLT

19

455-141

WASHER

|20

451-924

COVER ASS'Y,L.H.

21

456-329

SHEET

22

456-427

SHEET

23

456-331

SHEET

24

107-966

BOLT

25

455-141

WASHER

Выбрано товаров: 0