Запчасти Komatsu MX35 ОСНОВН. НАСОС (НАСОС И СОЕДИН-Е) ГИДРАВЛИКА

Схема запчастей Komatsu MX35 - ОСНОВН. НАСОС (НАСОС И СОЕДИН-Е) ГИДРАВЛИКА
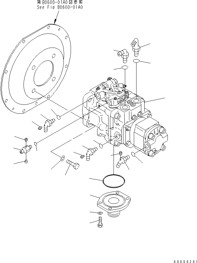
1
2
3
4
5
6
6
7
8
9
9
10
11
12
12
12
13
14
15
15
16
17
18
19
FIT
1:1
100%

Артикул

Название

Примечание

Количество

1

450-863

PUMP ASS'Y,MAIN

2

106-547

BOLT

3

455-217

WASHER

4

452-350

ELBOW

5

452-231

ELBOW

6

453-697

O-RING

7

453-046

JOINT

8

452-238

ELBOW

9

453-695

O-RING

10

452-234

ELBOW

11

453-562

O-RING

12

450-646

PLUG

13

453-432

NIPPLE

14

453-695

O-RING

15

450-802

PLUG

16

458-125

TUBE

17

453-700

O-RING

18

107-985

BOLT

19

455-229

WASHER

Выбрано товаров: 0