Качественные детали и логистика
Оригинальные и аналоговые запчасти с доставкой по России, Казахстану и Беларуси
©2022 PartSell ООО "Система" ИНН 2463123282 ОГРН 1212400004838
Центральный офис: г. Красноярск, Академика Киренского, д.87, пом.4
Телефон: 8 (800) 777-65-74 Email: zakaz@partsell.ru
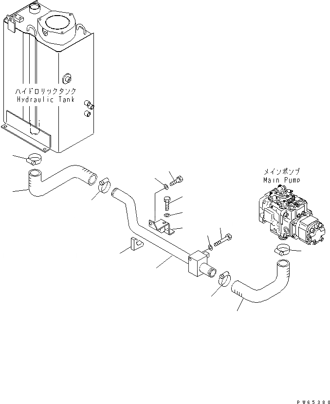
ВСАСЫВ. ЛИНИЯ
№
Артикул
Название
Примечание
Количество
1
457-003
HOSE
2
451-333
CLAMP
3
458-129
TUBE
4
108-003
BOLT
5
455-217
WASHER
6
450-406
BRACKET
7
452-006
CUSHION
8
107-994
9
10
457-023
11
Выбрано товаров: 0