Качественные детали и логистика
Оригинальные и аналоговые запчасти с доставкой по России, Казахстану и Беларуси
©2022 PartSell ООО "Система" ИНН 2463123282 ОГРН 1212400004838
Центральный офис: г. Красноярск, Академика Киренского, д.87, пом.4
Телефон: 8 (800) 777-65-74 Email: zakaz@partsell.ru
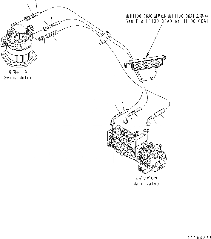
ЛИНИЯ АКТУАТОРА (МОТОР ПОВОРОТА)
№
Артикул
Название
Примечание
Количество
1
457-005
HOSE¤ 430MM
2
457-011
HOSE¤ 800MM
3
452-855
HOSE
4
451-590
CONDUIT
5
454-508
PLATE¤ A,A
6
454-509
PLATE¤ B,B
Выбрано товаров: 0