Запчасти Komatsu MX35 ОСНОВН. КОНСТРУКЦИЯ (РЫЧАГ УПРАВЛ-Я ПОДАЧЕЙ ТОПЛИВА) КАБИНА ОПЕРАТОРА И СИСТЕМА УПРАВЛЕНИЯ

Схема запчастей Komatsu MX35 - ОСНОВН. КОНСТРУКЦИЯ (РЫЧАГ УПРАВЛ-Я ПОДАЧЕЙ ТОПЛИВА) КАБИНА ОПЕРАТОРА И СИСТЕМА УПРАВЛЕНИЯ
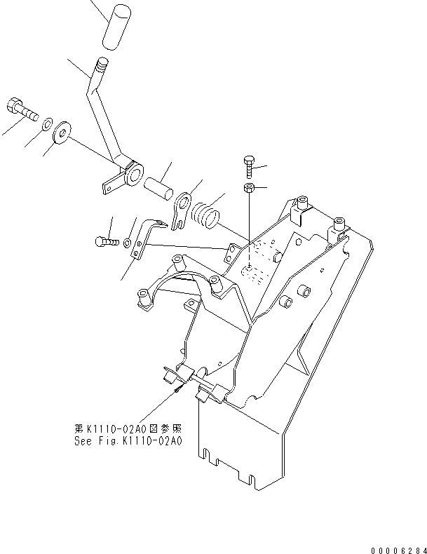
1
2
3
4
5
6
7
8
9
10
11
12
13
FIT
1:1
100%

Артикул

Название

Примечание

Количество

1

453-153

LEVER

2

453-081

KNOB

3

451-025

BUSHING

4

454-503

PLATE

5

453-737

SPRING

6

455-136

WASHER

7

107-962

BOLT

8

455-225

WASHER

9

456-566

BOLT

10

108-047

NUT

11

450-466

BRACKET

12

107-955

BOLT

13

455-226

WASHER

Выбрано товаров: 0