Запчасти Komatsu MX35 ПОКРЫТИЕ ПОЛА (КАБИНА КОРПУС КРЕПЛЕНИЯ) КАБИНА ОПЕРАТОРА И СИСТЕМА УПРАВЛЕНИЯ

Схема запчастей Komatsu MX35 - ПОКРЫТИЕ ПОЛА (КАБИНА КОРПУС КРЕПЛЕНИЯ) КАБИНА ОПЕРАТОРА И СИСТЕМА УПРАВЛЕНИЯ
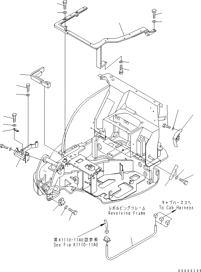
1
2
3
4
4
5
6
7
8
9
10
11
12
13
14
15
16
17
18
19
20
21
22
23
FIT
1:1
100%

Артикул

Название

Примечание

Количество

1

455-371

BRACKET

2

107-979

BOLT

3

107-985

BOLT

4

455-220

WASHER

5

106-547

BOLT

6

455-217

WASHER

7

454-605

PLATE

8

105-274

BOLT

9

455-220

WASHER

10

455-599

SHEET

11

450-391

BRACKET

12

107-966

BOLT

13

455-220

WASHER

14

454-548

PLATE

15

107-962

BOLT

16

455-225

WASHER

17

455-374

BRACKET

18

107-996

BOLT

19

455-217

WASHER

20

455-671

WIRING HARNESS

|20

452-504

FUSE¤ 3A

21

455-414

COVER

22

107-970

BOLT

23

455-131

WASHER

Выбрано товаров: 0