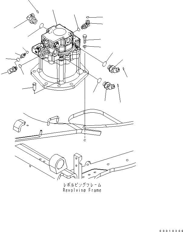
Запчасти Komatsu MX352 МЕХАНИЗМ ПОВОРОТА И МОТОР (СОЕДИНИТЕЛЬН. ЧАСТИ) ПОВОРОТН. КРУГ И КОМПОНЕНТЫ

Схема запчастей Komatsu MX352 - МЕХАНИЗМ ПОВОРОТА И МОТОР (СОЕДИНИТЕЛЬН. ЧАСТИ) ПОВОРОТН. КРУГ И КОМПОНЕНТЫ
1
2
3
4
5
6
7
7
8
8
9
10
11
12
12
13
14
15
16
17
18
FIT
1:1
100%

Артикул

Название

Примечание

Количество

1

458-856

SWING MACHINERY A.,(SEE FIG.Y1260-01A0)

2

107-996

BOLT

3

455-217

WASHER

4

454-120

PIN,DOWEL

5

452-354

ELBOW

6

457-765

ELBOW

7

453-689

O-RING

8

453-697

O-RING

9

457-768

ELBOW

10

453-438

NIPPLE

11

453-688

O-RING

12

453-695

O-RING

13

457-765

ELBOW

14

453-689

O-RING

15

453-697

O-RING

16

458-229

ELBOW

17

453-688

O-RING

18

453-695

O-RING

Выбрано товаров: 18