Запчасти Komatsu MX352 ОСНОВН. КЛАПАН (СОЕДИНИТЕЛЬН. ЧАСТИ) (/) ГИДРАВЛИКА

Схема запчастей Komatsu MX352 - ОСНОВН. КЛАПАН (СОЕДИНИТЕЛЬН. ЧАСТИ) (/) ГИДРАВЛИКА
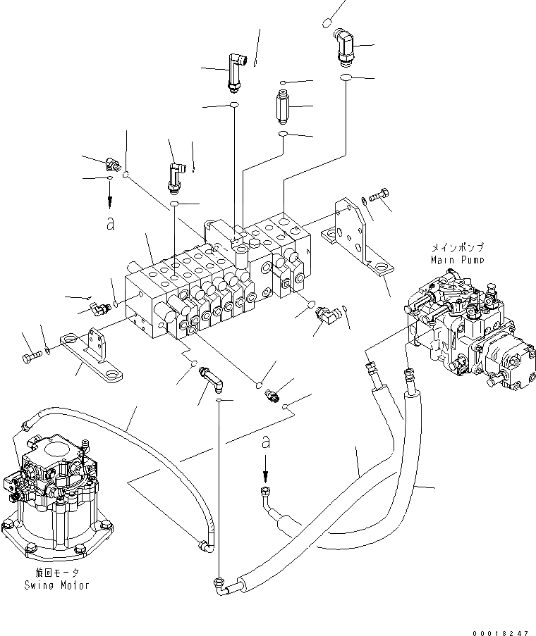
1
2
3
4
5
6
7
8
9
10
11
12
13
14
15
16
17
18
19
20
21
22
23
24
25
26
27
28
29
30
31
32
33
34
35
36
37
FIT
1:1
100%

Артикул

Название

Примечание

Количество

1

457-674

CONTROL VALVE,(SEE FIG.Y1662-31A0)

2

456-898

BRACKET

3

107-985

BOLT

4

455-220

WASHER

5

456-929

BRACKET

6

107-962

BOLT

7

455-225

WASHER

8

452-220

ELBOW

9

453-502

O-RING

10

453-562

O-RING

11

455-446

ELBOW

12

453-503

O-RING

13

453-687

O-RING

14

453-436

UNION

15

453-689

O-RING

16

453-562

O-RING

17

458-229

ELBOW

18

453-688

O-RING

19

453-695

O-RING

20

457-923

HOSE

21

457-761

ELBOW

22

453-502

O-RING

23

453-562

O-RING

24

458-229

ELBOW

25

453-688

O-RING

26

453-695

O-RING

27

452-218

ELBOW

28

453-689

O-RING

29

453-562

O-RING

30

452-214

ELBOW

31

453-688

O-RING

32

453-695

O-RING

33

457-924

HOSE

34

458-889

UNION

35

453-688

O-RING

36

453-695

O-RING

37

457-864

HOSE

Выбрано товаров: 37