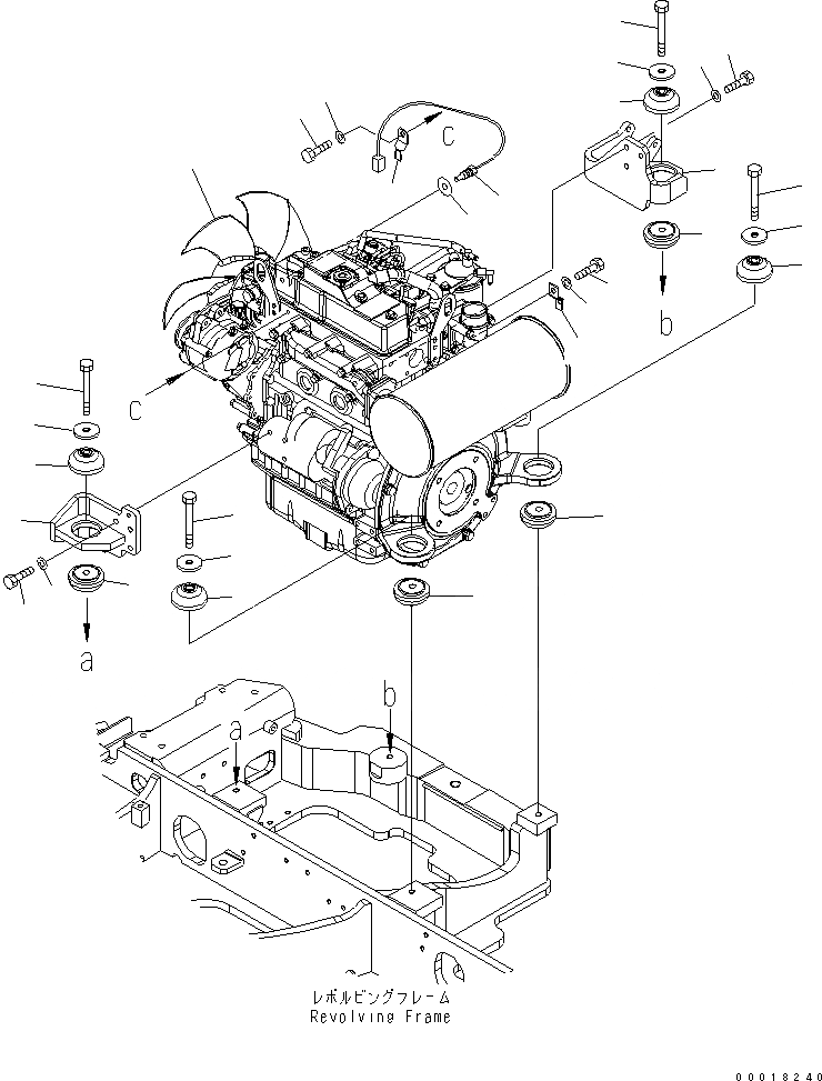
Запчасти Komatsu MX352 КРЕПЛЕНИЕ ДВИГАТЕЛЯ (С КОНДИЦИОНЕРОМ) КОМПОНЕНТЫ ДВИГАТЕЛЯ

Схема запчастей Komatsu MX352 - КРЕПЛЕНИЕ ДВИГАТЕЛЯ (С КОНДИЦИОНЕРОМ) КОМПОНЕНТЫ ДВИГАТЕЛЯ
1
2
3
4
4
5
5
6
6
6
6
6
6
6
6
7
7
7
7
8
8
8
8
9
10
11
12
13
14
15
16
FIT
1:1
100%

Артикул

Название

Примечание

Количество

1

457-774

ENGINE ASS'Y

2

456-951

BRACKET

3

456-953

BRACKET

4

107-966

BOLT

5

455-220

WASHER

6

451-959

CUSHION

7

450-343

WASHER

8

108-005

BOLT

9

452-557

GASKET

10

456-181

SENSOR,WATER TEMPERATURE

11

451-452

CLIP

12

107-965

BOLT

13

455-225

WASHER

14

451-505

CLIP

15

107-975

BOLT

16

455-220

WASHER

Выбрано товаров: 0