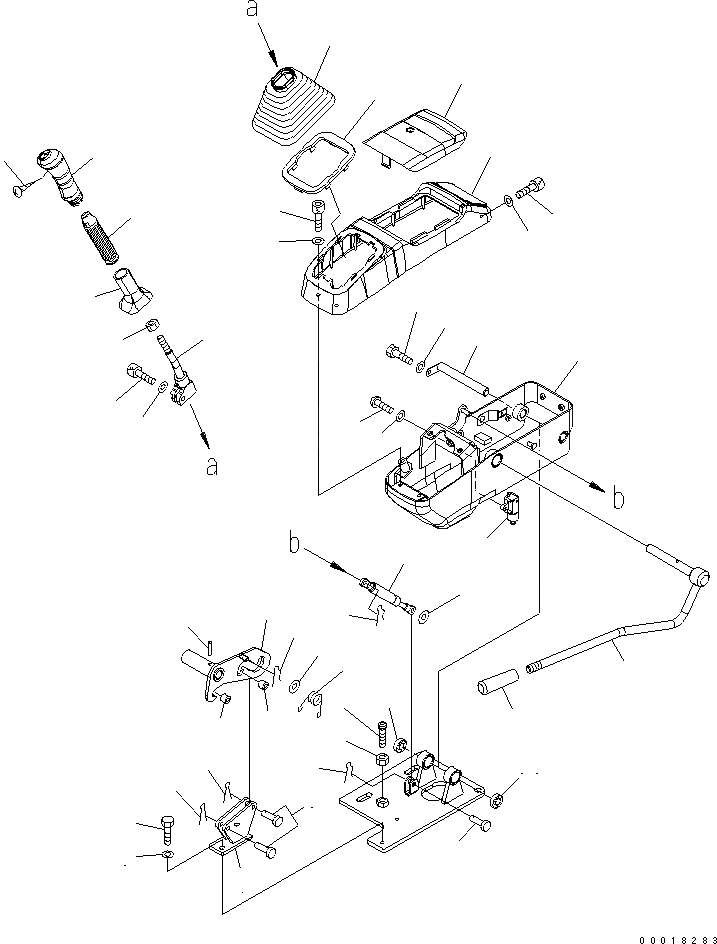
Запчасти Komatsu MX352 ОСНОВН. КОНСТРУКЦИЯ (КОНСОЛЬ ЛЕВ.) (НАВЕС) КАБИНА ОПЕРАТОРА И СИСТЕМА УПРАВЛЕНИЯ

Схема запчастей Komatsu MX352 - ОСНОВН. КОНСТРУКЦИЯ (КОНСОЛЬ ЛЕВ.) (НАВЕС) КАБИНА ОПЕРАТОРА И СИСТЕМА УПРАВЛЕНИЯ
1
2
3
4
5
6
6
7
7
8
9
10
11
12
12
13
13
14
15
16
16
17
18
19
20
21
22
23
24
25
26
27
28
29
30
31
32
33
33
34
35
36
37
38
39
40
41
FIT
1:1
100%

Артикул

Название

Примечание

Количество

1

458-832

STOPPER

2

107-962

BOLT

3

455-131

WASHER

4

457-838

GUIDE

5

454-109

PIN

6

454-081

PIN,COTTER

7

451-539

COLLAR

8

458-834

STOPPER

9

108-048

NUT

10

456-941

BRACKET,L.H.

11

457-691

COVER,PANEL

12

456-880

BOLT

13

455-130

WASHER

14

457-802

GAS SPRING

15

454-107

PIN

16

458-447

PIN,SNAP

17

455-225

WASHER

18

458-462

PIN

19

107-954

BOLT

20

455-130

WASHER

21

457-710

COVER

|22

457-991

LEVER ASS'Y

22

457-984

LEVER

|23

457-974

KNOB

23

455-293

SCREW

24

457-975

KNOB

25

457-966

INSERT

26

458-501

PLATE

27

456-887

BOOT

28

456-886

BOOT

29

458-418

NUT

30

456-610

BOLT

31

455-229

WASHER

32

457-989

LEVER,L.H.

33

450-145

BEARING

34

457-979

KNOB

35

458-438

PIN

36

458-821

SPRING

37

458-447

PIN,SNAP

38

455-225

WASHER

39

458-858

SWITCH ASS'Y

40

458-635

SCREW

41

455-130

WASHER

Выбрано товаров: 43