Запчасти Komatsu MX352 ОСНОВН. КОНСТРУКЦИЯ (ЭЛЕКТР.) (НАВЕС) КАБИНА ОПЕРАТОРА И СИСТЕМА УПРАВЛЕНИЯ

Схема запчастей Komatsu MX352 - ОСНОВН. КОНСТРУКЦИЯ (ЭЛЕКТР.) (НАВЕС) КАБИНА ОПЕРАТОРА И СИСТЕМА УПРАВЛЕНИЯ
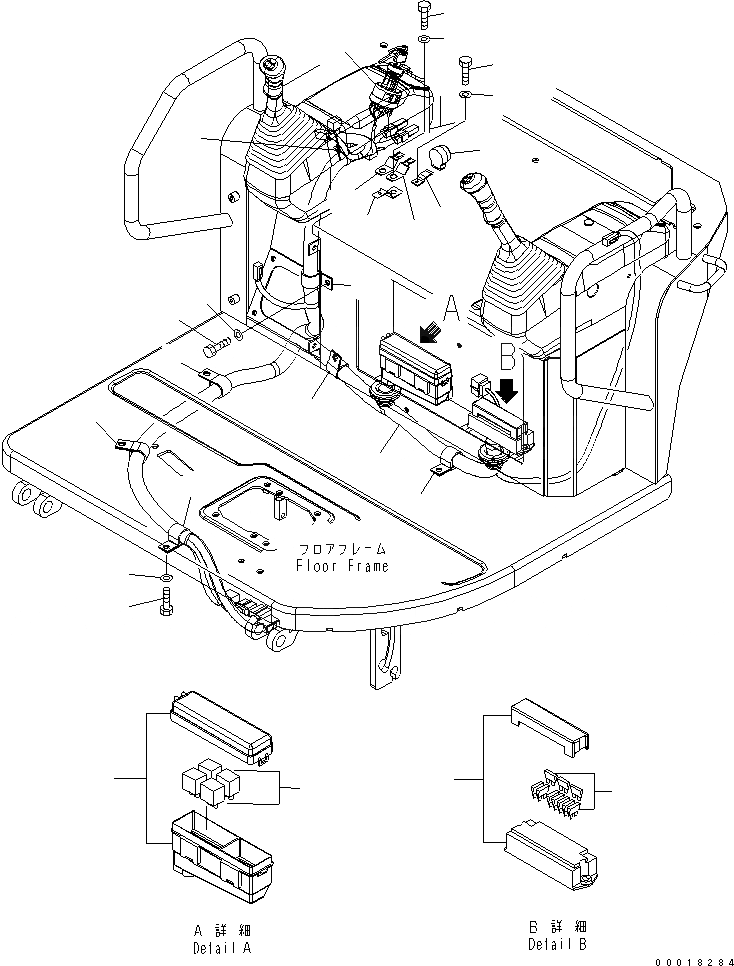
1
2
3
4
5
6
6
6
6
6
7
8
9
9
10
11
12
13
14
15
16
17
18
19
20
21
FIT
1:1
100%

Артикул

Название

Примечание

Количество

1

458-935

WIRING HARNESS

2

456-889

BOX,RELAY

3

458-585

RELAY¤ 5-TERMINAL

4

457-799

FUSE BOX

5

452-499

FUSE¤ 10A

|5

452-502

FUSE¤ 30A

6

451-421

CLIP

7

105-274

BOLT

8

455-220

WASHER

9

457-657

CLIP

10

451-505

CLIP

11

105-274

BOLT

12

455-220

WASHER

13

451-107

BUZZER ASS'Y

14

454-521

PLATE

15

107-954

BOLT

16

455-226

WASHER

17

453-976

STARTING SWITCH

18

450-110

BAND

19

451-421

CLIP

20

107-966

BOLT

21

455-132

WASHER

Выбрано товаров: 22