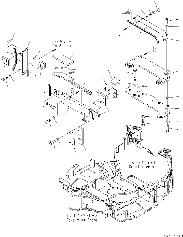
Запчасти Komatsu MX502 КАПОТ (КОРПУС КРЕПЛЕНИЯ) (ДЛЯ КАБИНЫ) ЧАСТИ КОРПУСА

Схема запчастей Komatsu MX502 - КАПОТ (КОРПУС КРЕПЛЕНИЯ) (ДЛЯ КАБИНЫ) ЧАСТИ КОРПУСА
1
2
3
4
5
5
6
6
7
7
8
9
10
11
11
12
12
13
14
15
16
17
18
19
20
20
20
20
20
21
22
23
24
25
26
27
28
29
30
31
31
32
32
33
34
35
36
FIT
1:1
100%

Артикул

Название

Примечание

Количество

1

459-409

PLATE

2

108-141

BOLT

3

455-129

WASHER

4

459-015

BRACKET

5

108-139

BOLT

6

459-699

WASHER

7

459-698

WASHER

|8

459-129

COVER

8

459-142

COVER

9

459-508

SEAL

10

459-573

SHEET

11

107-966

BOLT

12

455-220

WASHER

13

459-068

CAP

|14

459-156

COVER ASS'Y

14

459-147

COVER

15

459-496

SEAL

16

459-509

SEAL

17

459-539

SHEET

18

459-580

SHEET

19

459-556

SHEET

20

451-402

PLATE

21

459-557

SHEET

22

459-485

SEAL

23

107-993

BOLT

24

455-217

WASHER

|25

459-164

COVER ASS'Y

25

459-119

COVER

26

459-542

SHEET

27

459-551

SHEET

28

459-536

SHEET

29

459-494

SEAL

30

459-543

SHEET

31

105-274

BOLT

32

455-220

WASHER

|33

459-157

COVER ASS'Y

33

459-148

COVER

34

459-541

SHEET

35

107-993

BOLT

36

455-217

WASHER

Выбрано товаров: 40