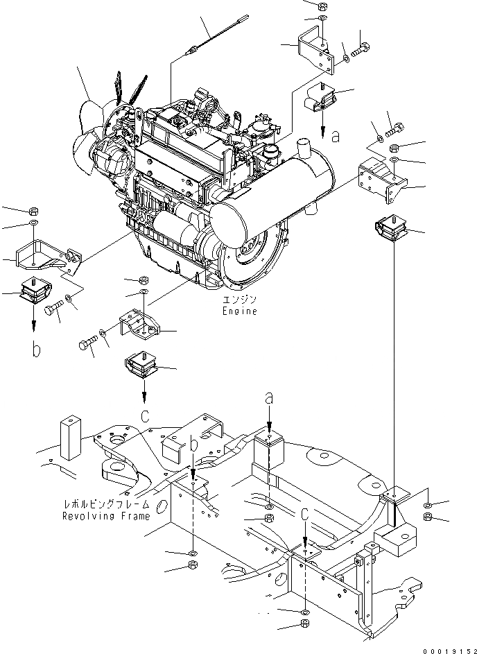
Запчасти Komatsu MX502 КРЕПЛЕНИЕ ДВИГАТЕЛЯ КОМПОНЕНТЫ ДВИГАТЕЛЯ

Схема запчастей Komatsu MX502 - КРЕПЛЕНИЕ ДВИГАТЕЛЯ КОМПОНЕНТЫ ДВИГАТЕЛЯ
1
2
3
4
5
6
6
7
7
8
9
10
11
12
12
13
13
14
15
16
17
18
18
19
19
20
21
22
23
24
24
25
25
26
FIT
1:1
100%

Артикул

Название

Примечание

Количество

1

459-214

ENGINE ASS'Y

2

458-997

BRACKET,R.H.

3

107-985

BOLT

4

455-220

WASHER

5

451-955

CUSHION

6

108-048

NUT

7

455-220

WASHER

8

458-995

BRACKET,L.H.

9

107-985

BOLT

10

455-220

WASHER

11

451-955

CUSHION

12

108-048

NUT

13

455-220

WASHER

14

458-999

BRACKET,R.H.

15

107-966

BOLT

16

455-220

WASHER

17

451-955

CUSHION

18

108-048

NUT

19

455-220

WASHER

20

450-309

BRACKET,L.H.

21

107-966

BOLT

22

455-220

WASHER

23

451-955

CUSHION

24

108-048

NUT

25

455-220

WASHER

26

456-181

SENSOR

Выбрано товаров: 0