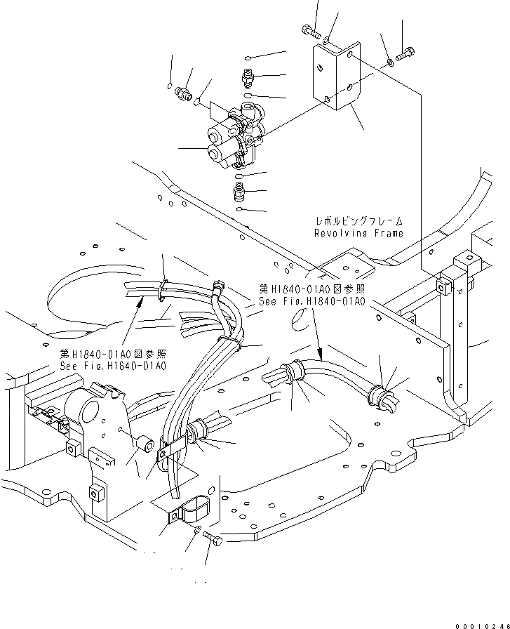
Запчасти Komatsu MX502 P.P.C. ОСНОВН. ЛИНИЯ (СОЛЕНОИДНЫЙ КЛАПАН) ГИДРАВЛИКА

Схема запчастей Komatsu MX502 - P.P.C. ОСНОВН. ЛИНИЯ (СОЛЕНОИДНЫЙ КЛАПАН) ГИДРАВЛИКА
1
2
3
4
5
6
7
8
9
10
11
12
13
14
15
16
16
17
18
19
20
20
21
21
21
22
22
22
22
22
22
FIT
1:1
100%

Артикул

Название

Примечание

Количество

1

458-897

VALVE ASS'Y

2

105-274

BOLT

3

455-220

WASHER

4

458-989

BRACKET

5

107-966

BOLT

6

455-220

WASHER

7

459-355

NIPPLE

8

453-523

O-RING

9

453-688

O-RING

10

453-390

NIPPLE

11

453-523

O-RING

12

453-688

O-RING

13

459-682

UNION

14

453-523

O-RING

15

453-689

O-RING

16

457-653

CLIP

17

459-621

SPACER

18

106-621

BOLT

19

455-220

WASHER

20

450-107

BAND

21

459-173

CUSHION

22

450-130

BAND

Выбрано товаров: 22