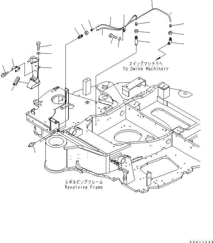
Запчасти Komatsu MX502 ЛИНИЯ СМАЗКИ ОСНОВНАЯ РАМА И ЕЕ ЧАСТИ

Схема запчастей Komatsu MX502 - ЛИНИЯ СМАЗКИ ОСНОВНАЯ РАМА И ЕЕ ЧАСТИ
1
2
3
4
5
6
7
8
9
9
10
10
11
12
13
14
15
16
17
18
19
20
21
FIT
1:1
100%

Артикул

Название

Примечание

Количество

1

452-420

FITTING

2

451-607

CONNECTOR

3

454-952

NUT

4

457-475

SLEEVE

5

451-571

CONDUIT

6

451-573

CONDUIT

7

459-663

TUBE

8

459-660

TUBE

9

454-952

NUT

10

457-475

SLEEVE

11

451-606

CONNECTOR

12

452-257

ELBOW

13

459-096

CLIP

14

105-274

BOLT

15

455-220

WASHER

16

459-022

BRACKET

17

107-994

BOLT

18

455-217

WASHER

19

451-343

CLAMP

20

455-266

SCREW

21

459-503

SEAL

Выбрано товаров: 21