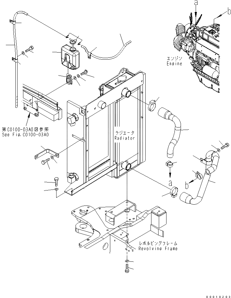
Запчасти Komatsu MX502 ОХЛАЖД-Е (ТРУБЫ И КРЕПЛЕНИЕ) СИСТЕМА ОХЛАЖДЕНИЯ

Схема запчастей Komatsu MX502 - ОХЛАЖД-Е (ТРУБЫ И КРЕПЛЕНИЕ) СИСТЕМА ОХЛАЖДЕНИЯ
1
2
3
3
4
4
5
6
7
8
9
9
9
10
10
10
11
12
13
14
15
16
17
17
18
18
19
20
21
FIT
1:1
100%

Артикул

Название

Примечание

Количество

1

459-255

HOSE

2

459-276

HOSE

3

451-333

CLAMP

4

451-332

CLAMP

5

107-962

BOLT

6

455-225

WASHER

7

451-479

CLIP

8

459-652

TANK

9

459-107

CONDUCTION ASS'Y

10

459-094

CLIP

11

105-274

BOLT

12

455-220

WASHER

13

450-301

BRACKET

14

455-274

SCREW

15

455-110

WASHER

16

455-226

WASHER

17

107-995

BOLT

18

455-217

WASHER

19

459-401

PLATE

20

107-966

BOLT

21

455-220

WASHER

Выбрано товаров: 21