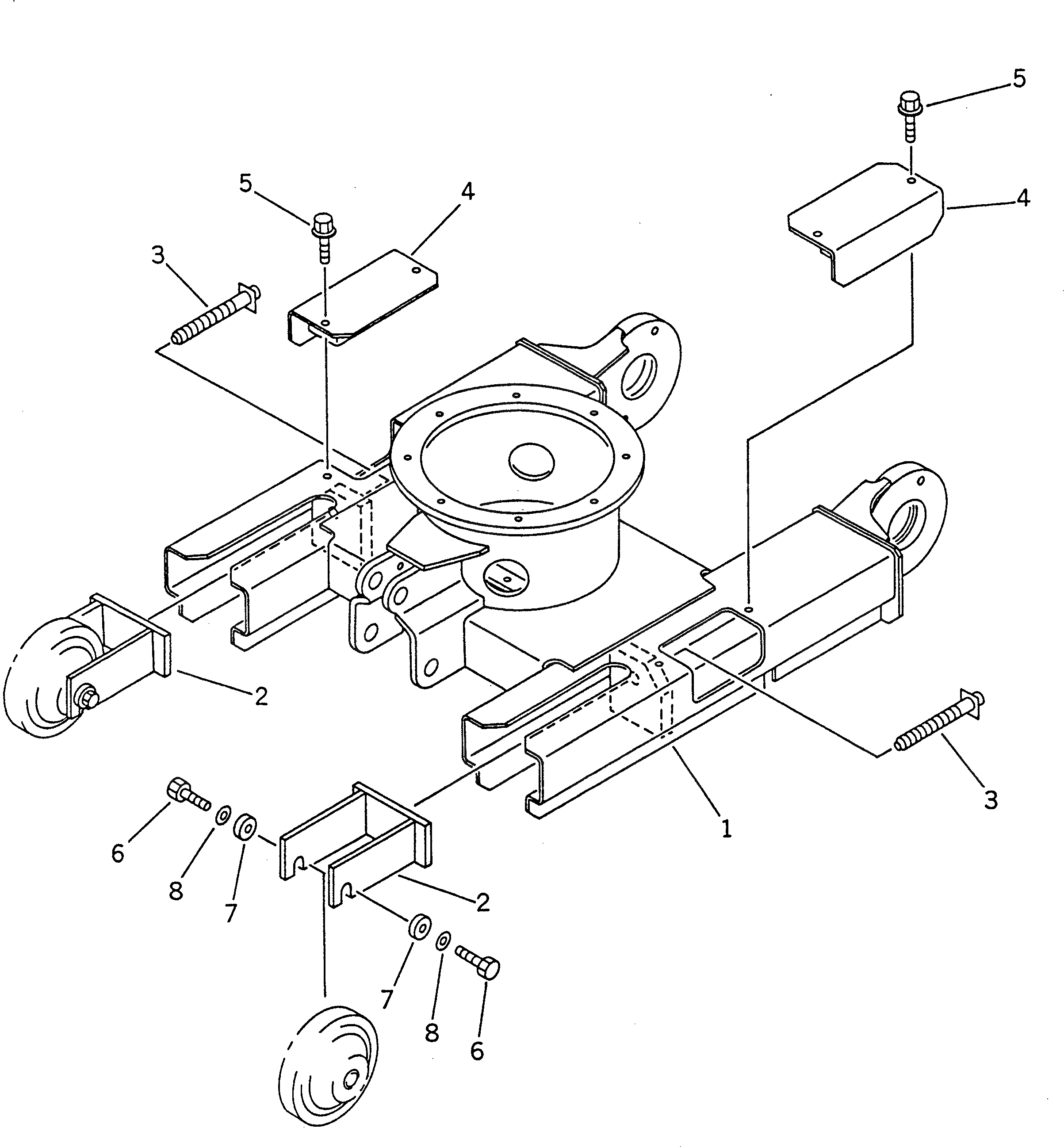
Запчасти Komatsu PC01-1 ГУСЕНИЧНАЯ РАМА ХОДОВАЯ

Схема запчастей Komatsu PC01-1 - ГУСЕНИЧНАЯ РАМА ХОДОВАЯ
FIT
1:1
100%

Артикул

Название

Примечание

Количество

1

21A-35-11111

FRAME,TRACK

1

21A-35-11110

FRAME,TRACK

2

21A-35-11250

BRACKET

3

21R-35-11260

BOLT

4

21A-35-11270

COVER

5

01435-00816

BOLT

6

01010-81030

BOLT

7

21A-35-11240

WASHER

8

01641-21016

WASHER

Выбрано товаров: 9