Качественные детали и логистика
Оригинальные и аналоговые запчасти с доставкой по России, Казахстану и Беларуси
©2022 PartSell ООО "Система" ИНН 2463123282 ОГРН 1212400004838
Центральный офис: г. Красноярск, Академика Киренского, д.87, пом.4
Телефон: 8 (800) 777-65-74 Email: zakaz@partsell.ru
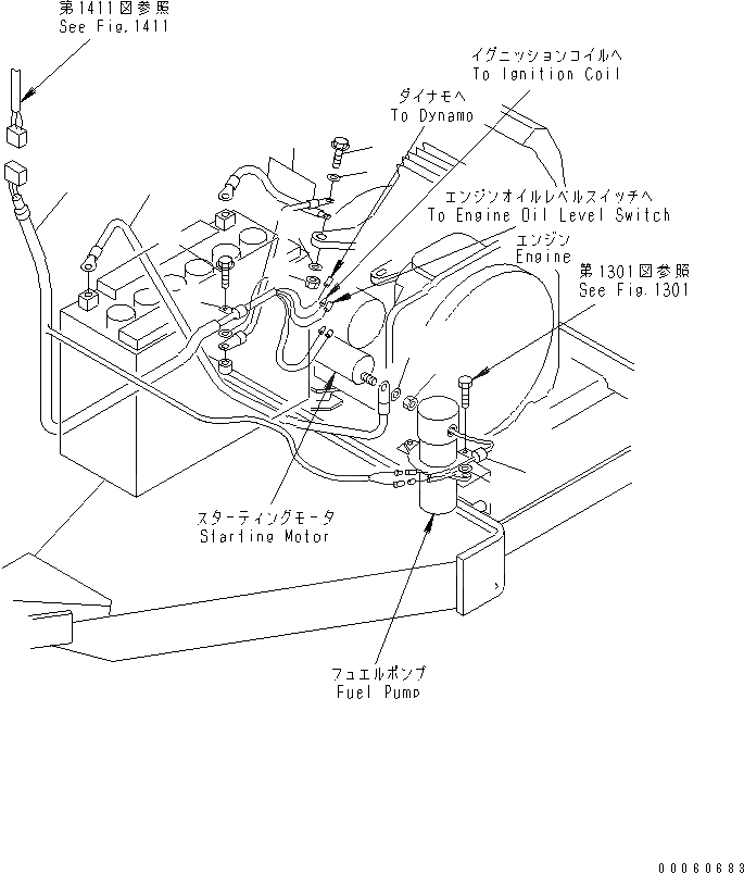
ЭЛЕКТРИКА
№
Артикул
Название
Примечание
Количество
1
21A-06-11242
WIRING HARNESS
21A-06-11241
2
21A-06-11210
CABLE
3
21A-06-11220
4
08036-00814
CLIP
5
01435-00812
BOLT
6
01435-00630
7
01580-10605
NUT
8
01643-30623
WASHER
9
08036-10810
10
01642-20608
11
12
Выбрано товаров: 0