Качественные детали и логистика
Оригинальные и аналоговые запчасти с доставкой по России, Казахстану и Беларуси
©2022 PartSell ООО "Система" ИНН 2463123282 ОГРН 1212400004838
Центральный офис: г. Красноярск, Академика Киренского, д.87, пом.4
Телефон: 8 (800) 777-65-74 Email: zakaz@partsell.ru
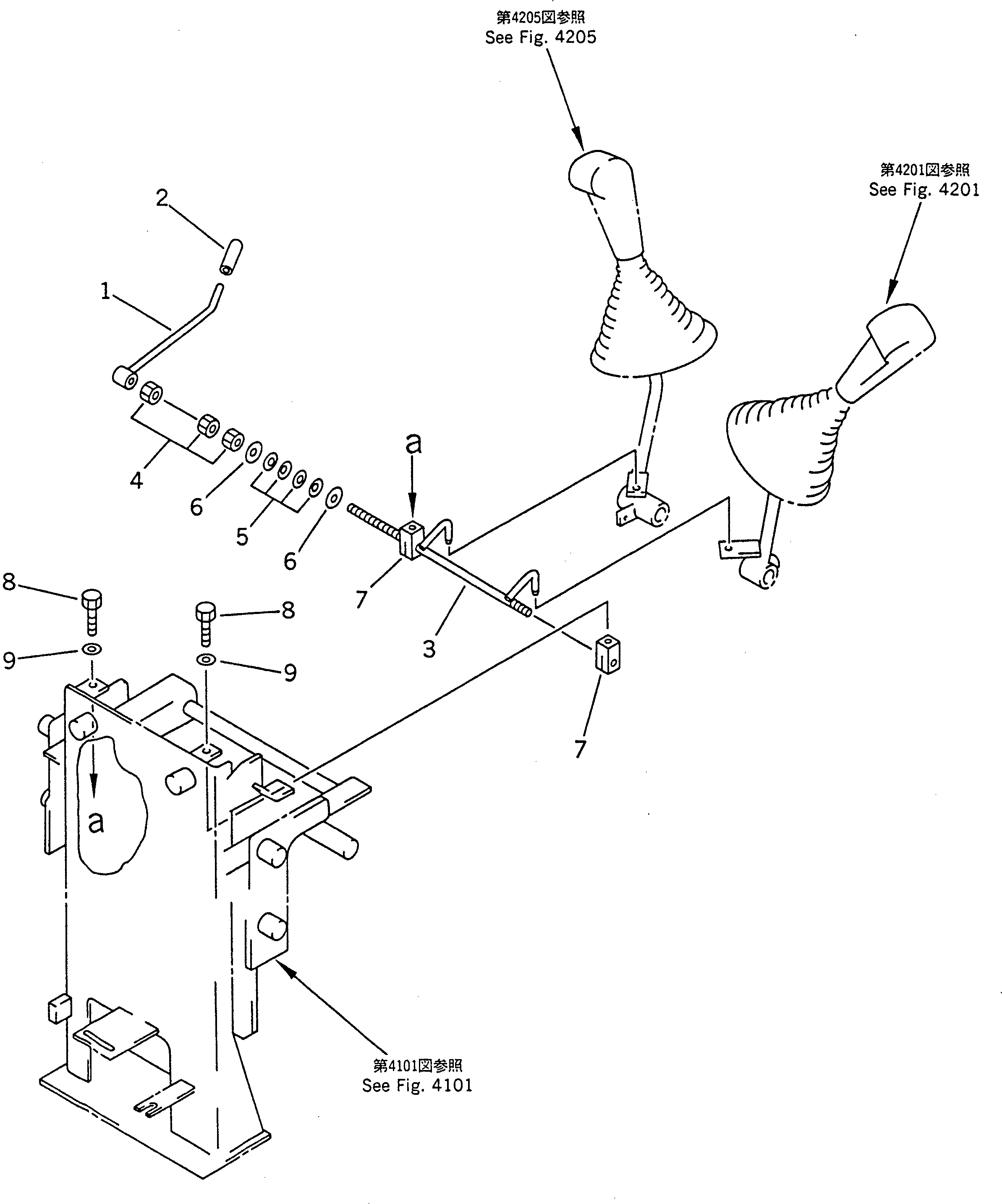
РАБОЧЕЕ ОБОРУДОВАНИЕ РЫЧАГ БЛОКИРОВКИ
№
Артикул
Название
Примечание
Количество
1
21A-43-11621
LEVER
2
21R-54-11880
CAP
3
21A-43-11610
4
01580-10806
NUT
5
21S-43-11730
WASHER
6
01643-31032
7
20M-43-48271
YOKE
8
01010-50816
BOLT
9
01643-50823
Выбрано товаров: 0