Запчасти Komatsu PC02-1 СТРЕЛА И КОВШ РЫЧАГ УПРАВЛ-Я(№8-) СИСТЕМА УПРАВЛЕНИЯ И ОСНОВНАЯ РАМА

Схема запчастей Komatsu PC02-1 - СТРЕЛА И КОВШ РЫЧАГ УПРАВЛ-Я(№8-) СИСТЕМА УПРАВЛЕНИЯ И ОСНОВНАЯ РАМА
FIT
1:1
100%

Артикул

Название

Примечание

Количество

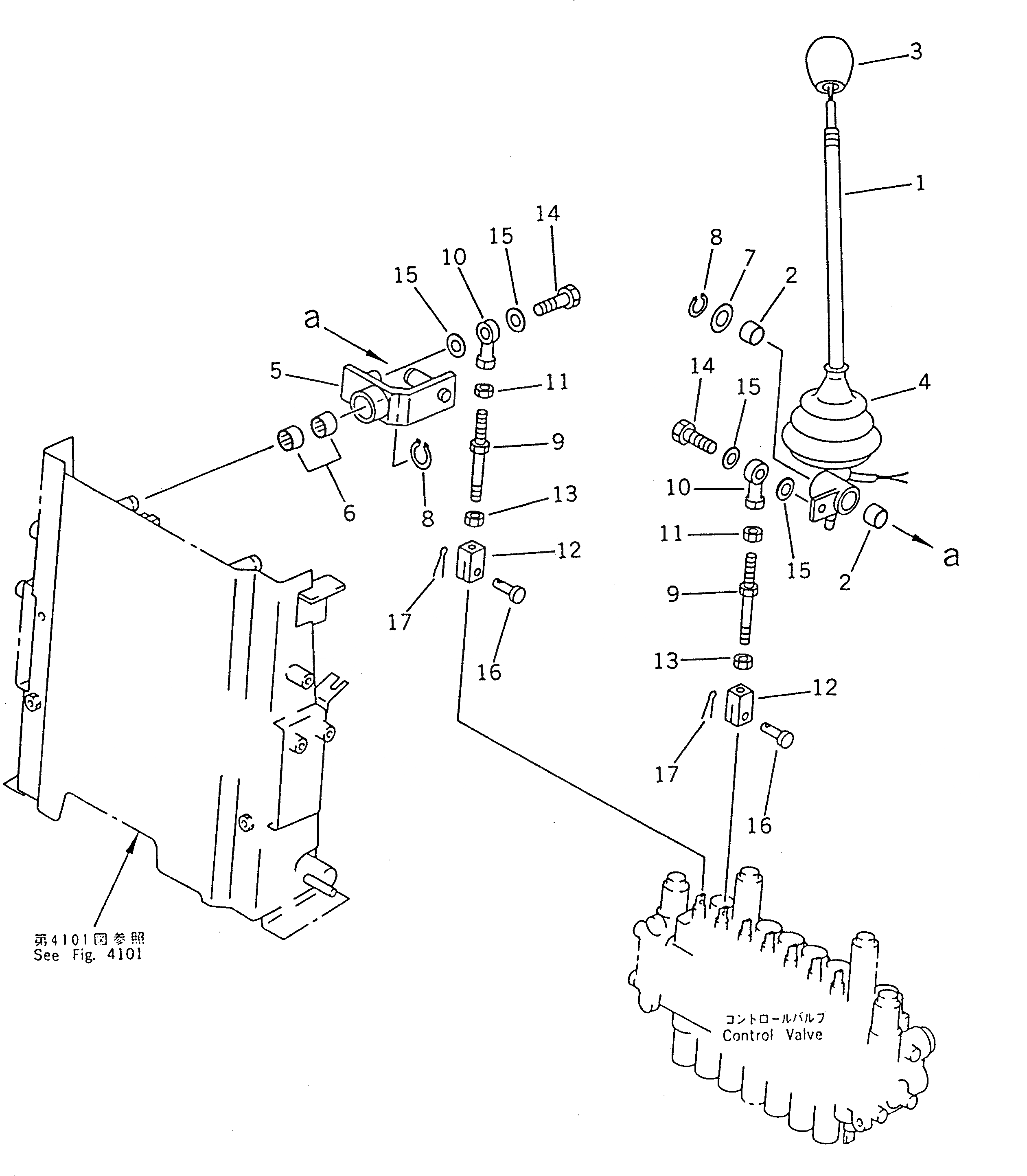
1

21R-43-11311

LEVER

2

09350-01615

BUSHING

3

21R-43-11330

SWITCH,HORN

4

21R-43-11940

BOOT

5

21R-43-11321

LEVER

6

21R-43-11250

BEARING,NEEDLE

7

01641-21626

WASHER

8

04064-01610

RING,SNAP

9

04248-30809

ROD

10

04250-80847

END

11

01580-10806

NUT

12

21R-43-11721

YOKE,L.H. THREAD

13

01508-40805

NUT,L.H. THREAD

14

01010-50825

BOLT

15

04254-10823

SPACER

16

04205-10418

PIN

17

04050-11008

PIN,COTTER

Выбрано товаров: 17