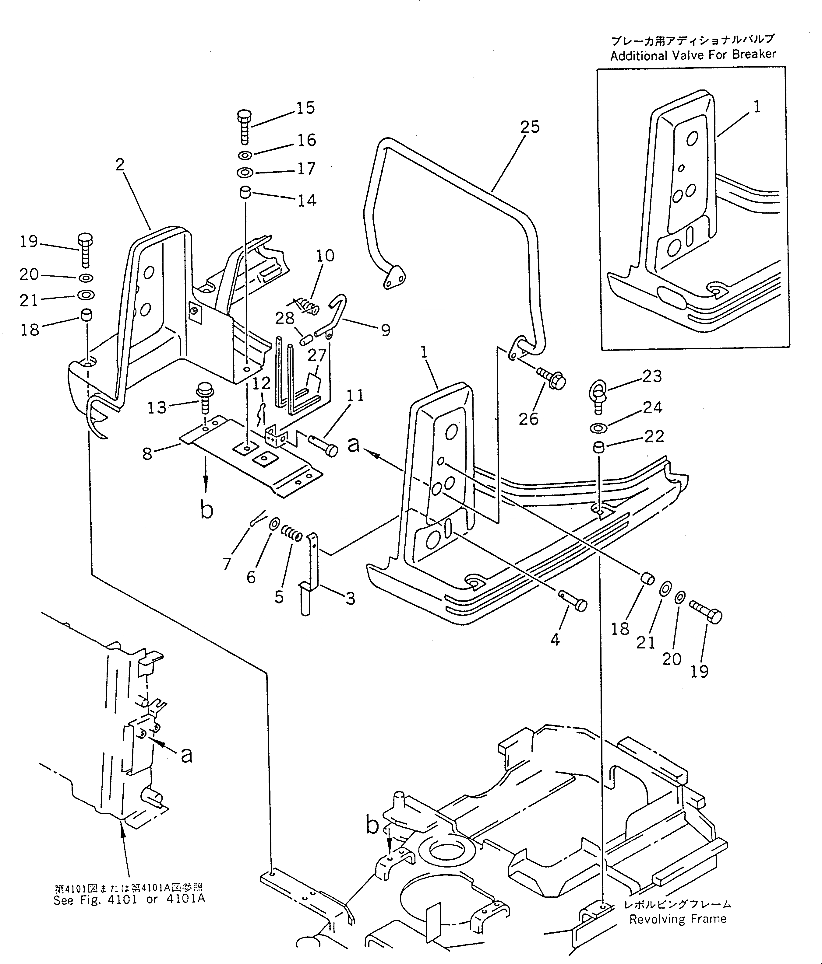
Запчасти Komatsu PC02-1 ПОЛ КАБИНЫ (СПЕЦ-Я TBG) ЧАСТИ КОРПУСА

Схема запчастей Komatsu PC02-1 - ПОЛ КАБИНЫ (СПЕЦ-Я TBG) ЧАСТИ КОРПУСА
FIT
1:1
100%

Артикул

Название

Примечание

Количество

1

21R-54-11511

FLOOR,L.H.

1

21R-54-11510

FLOOR,L.H.

1

21R-973-1460

FLOOR,L.H. (ADD. VALVE FOR BREAKER)

2

21R-54-11551

FLOOR,R.H.

2

21R-54-11550

FLOOR,R.H.

3

21R-54-11861

PIN

4

21R-54-11871

PIN

5

21R-54-11890

SPRING

6

01640-21016

WASHER

7

04050-13020

PIN,COTTER

8

21R-54-11810

PLATE

9

21R-54-11820

LEVER

10

09461-00023

SPRING

11

04205-31042

PIN

12

04052-11038

PIN,SNAP

13

01435-00816

BOLT

14

21R-54-11720

SPACER

15

01010-50825

BOLT

16

154-61-16570

WASHER

17

21R-54-11710

WASHER

18

21R-54-11720

SPACER

19

01010-50820

BOLT

20

154-61-16570

WASHER

21

21R-54-11710

WASHER

22

21R-54-11760

SPACER

22

21R-54-11740

SPACER

23

21R-54-11750

BOLT,EYE

23

04530-11018

BOLT,EYE

24

21R-54-11770

WASHER

24

21R-54-11710

WASHER

25

21R-54-18310

STAY

26

01435-00816

BOLT

27

21R-54-11840

SEAL

28

21R-54-11880

CAP

Выбрано товаров: 34