Качественные детали и логистика
Оригинальные и аналоговые запчасти с доставкой по России, Казахстану и Беларуси
©2022 PartSell ООО "Система" ИНН 2463123282 ОГРН 1212400004838
Центральный офис: г. Красноярск, Академика Киренского, д.87, пом.4
Телефон: 8 (800) 777-65-74 Email: zakaz@partsell.ru
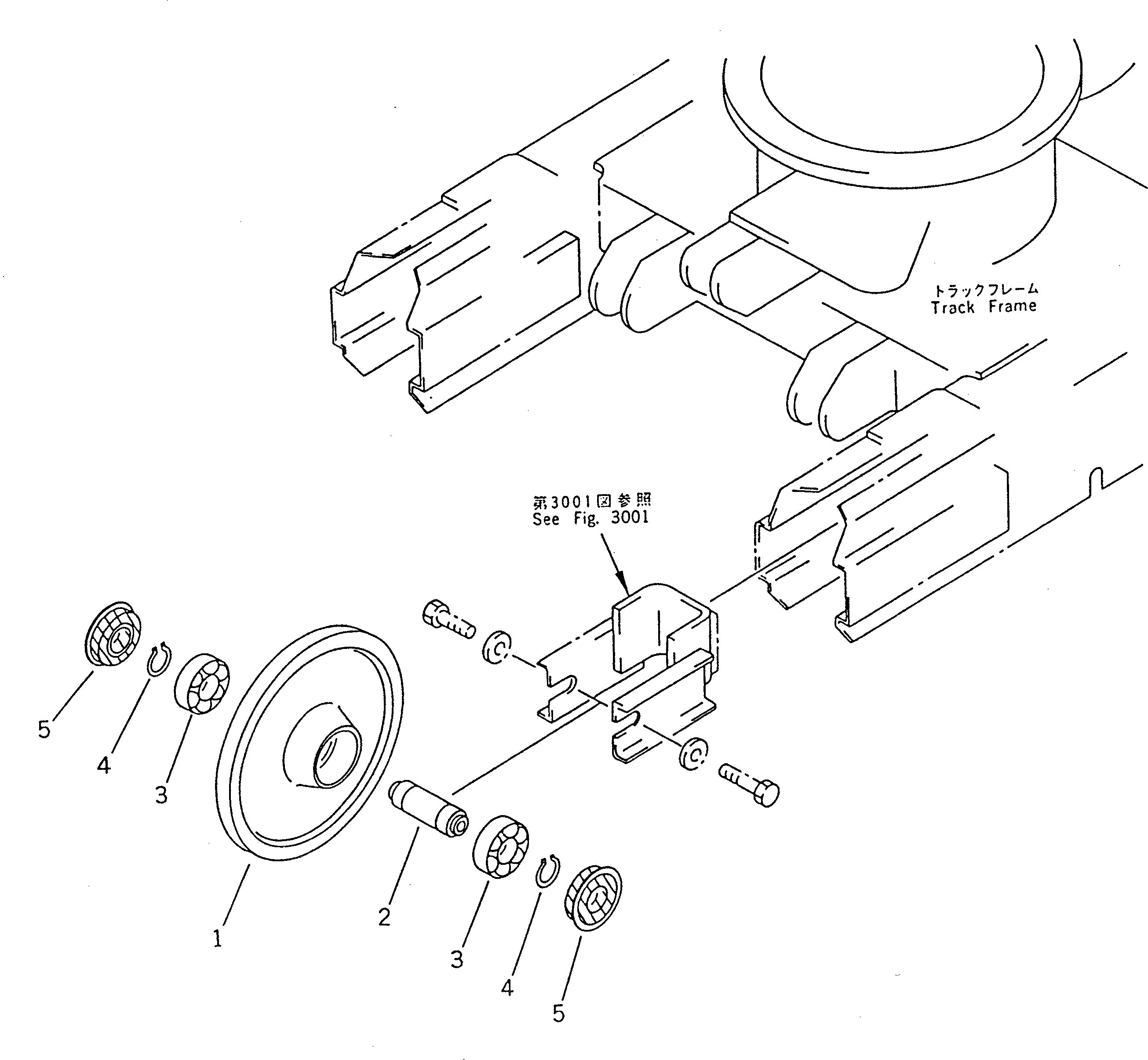
ПЕРЕДН. ЛЕНИВЕЦ
№
Артикул
Название
Примечание
Количество
|1
21R-35-11200
IDLER ASS'Y
1
21R-35-11210
IDLER
2
21R-35-11220
SHAFT
3
06000-06205
BEARING
4
04064-02512
RING,SNAP
5
21R-35-11230
SEAL,OIL
Выбрано товаров: 0