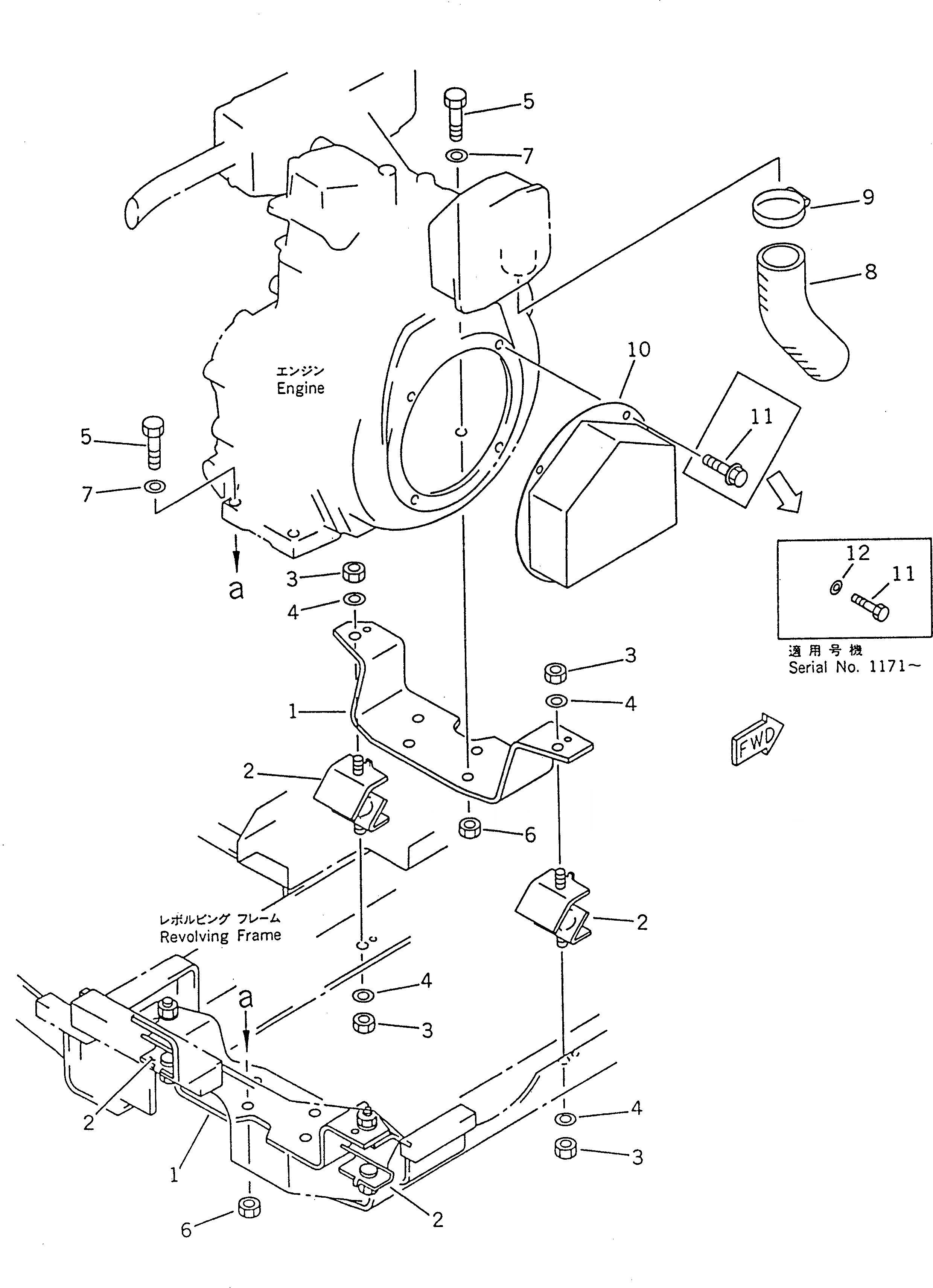
Запчасти Komatsu PC02-1A КРЕПЛЕНИЕ ДВИГАТЕЛЯ И КОМПОНЕНТЫ КОМПОНЕНТЫ ДВИГАТЕЛЯ И ЭЛЕКТРИКА

Схема запчастей Komatsu PC02-1A - КРЕПЛЕНИЕ ДВИГАТЕЛЯ И КОМПОНЕНТЫ КОМПОНЕНТЫ ДВИГАТЕЛЯ И ЭЛЕКТРИКА
FIT
1:1
100%

Артикул

Название

Примечание

Количество

1

21R-01-12110

BRACKET

2

21R-01-12150

CUSHION

3

01582-11008

NUT

4

01643-31032

WASHER

5

01010-51045

BOLT

6

01580-11008

NUT

7

01643-31032

WASHER

8

21R-01-12210

HOSE

9

07280-05026

CLAMP

10

21R-01-12250

DUCT

11

01010-50610

BOLT

|11

01435-00610

BOLT

12

01643-30623

WASHER

Выбрано товаров: 13