Запчасти Komatsu PC03-1 ОСНОВНАЯ РАМА СИСТЕМА УПРАВЛЕНИЯ И ОСНОВНАЯ РАМА

Схема запчастей Komatsu PC03-1 - ОСНОВНАЯ РАМА СИСТЕМА УПРАВЛЕНИЯ И ОСНОВНАЯ РАМА
FIT
1:1
100%

Артикул

Название

Примечание

Количество

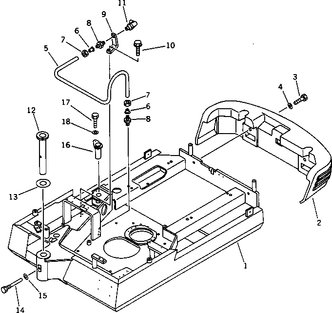
1

21S-46-11110

FRAME,REVOLVING PAINT(1)

2

21S-46-11210

WEIGHT,COUNTER

3

01010-51285

BOLT

4

01643-31232

WASHER

5

20W-46-11210

TUBE

6

07831-00411

SLEEVE

7

07832-00410

NUT

8

20R-46-11160

CONNECTOR

9

21S-46-11150

PLATE

10

01435-00820

BOLT

11

07020-00900

FITTING,GREASE

12

21S-70-11120

PIN PAINT(1)

13

21S-70-11130

PLATE

14

20M-70-34150

BOLT

15

01643-31232

WASHER

16

21S-70-11160

PIN

17

01010-51020

BOLT

18

01643-31032

WASHER

Выбрано товаров: 18