Качественные детали и логистика
Оригинальные и аналоговые запчасти с доставкой по России, Казахстану и Беларуси
©2022 PartSell ООО "Система" ИНН 2463123282 ОГРН 1212400004838
Центральный офис: г. Красноярск, Академика Киренского, д.87, пом.4
Телефон: 8 (800) 777-65-74 Email: zakaz@partsell.ru
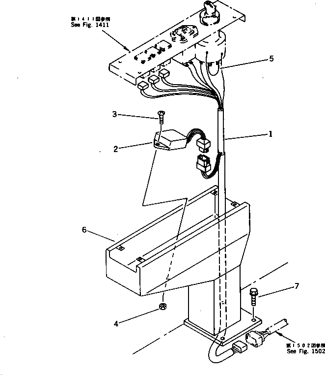
ЭЛЕКТРИКА (/) (ЛИНИЯ ПАНЕЛИ ПРИБОРОВ)
№
Артикул
Название
Примечание
Количество
1
21S-06-11130
WIRING HARNESS
2
YM128300-77920
TIMER
3
20N-06-41130
SCREW
4
01580-10504
NUT
5
FF7814-06250
CABLE
6
21S-06-11120
BOX
7
01435-00816
BOLT
Выбрано товаров: 0