Запчасти Komatsu PC03-2-A ЭЛЕКТР. (ПАНЕЛЬ И ОСНОВН. Э/ПРОВОДКА) (ДЛЯ DIESEL СПЕЦ-Я.) ЭЛЕКТРИКА

Схема запчастей Komatsu PC03-2-A - ЭЛЕКТР. (ПАНЕЛЬ И ОСНОВН. Э/ПРОВОДКА) (ДЛЯ DIESEL СПЕЦ-Я.) ЭЛЕКТРИКА
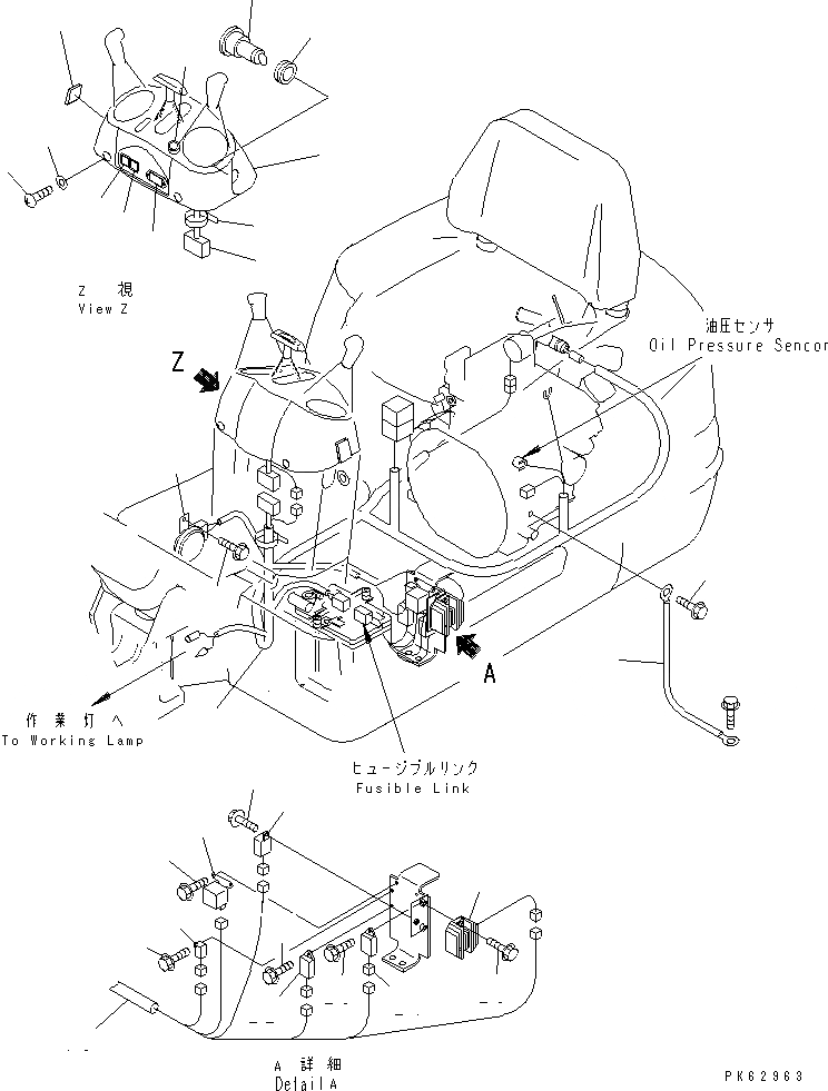
1
2
3
4
5
6
7
8
9
10
11
12
13
13
14
15
16
17
18
19
20
21
22
23
24
25
26
27
28
29
FIT
1:1
100%

Артикул

Название

Примечание

Количество

|1

21S-06-22101

PANEL ASS'Y

1

21S-94-62720

COVER

2

21S-06-22111

WIRING HARNESS

3

21S-06-11140

SERVICE METER

4

08086-10000

SWITCH,STARTING

5

21S-06-28221

PLATE

6

FF7840-06421

LAMP,OIL PRESSURE

|6

08111-01230

BULB¤ 4W

|6

FF7840-06521

LENS

7

FF7830-06130

LAMP,WATER TEMPERATURE

|7

08111-01230

BULB¤ 4W

|7

FF7840-06541

LENS

8

08147-41201

LAMP

9

08034-20519

BAND

10

21S-43-21910

PLATE

11

21U-43-25210

SCREW

12

21U-43-25220

WASHER

13

21S-06-22241

WIRING HARNESS

|13

20A-06-11160

LINK,FUSIBLE

|13

20A-06-11140

FUSE BOX

|13

08041-00500

FUSE¤ 5A

|13

08041-01000

FUSE¤ 10A

|13

08041-02000

FUSE¤ 20A

14

21U-06-21350

CABLE

15

01435-01016

BOLT

16

20A-06-11411

HORN

17

01435-00812

BOLT

18

YM119650-77910

RELAY,STOP

19

01435-00610

BOLT

20

YM121522-77721

INDICATOR,CHARGE

21

01435-00616

BOLT

22

YM119632-77920

TIMER,SOLENOID

23

01435-00616

BOLT

24

YM128300-77920

TIMER,SOLENOID

25

01435-00616

BOLT

26

01435-00610

BOLT

27

YM119640-77711

LIMITER,CURRENT

28

01435-00625

BOLT

29

YM119247-77100

RELAY,SAFETY

Выбрано товаров: 39