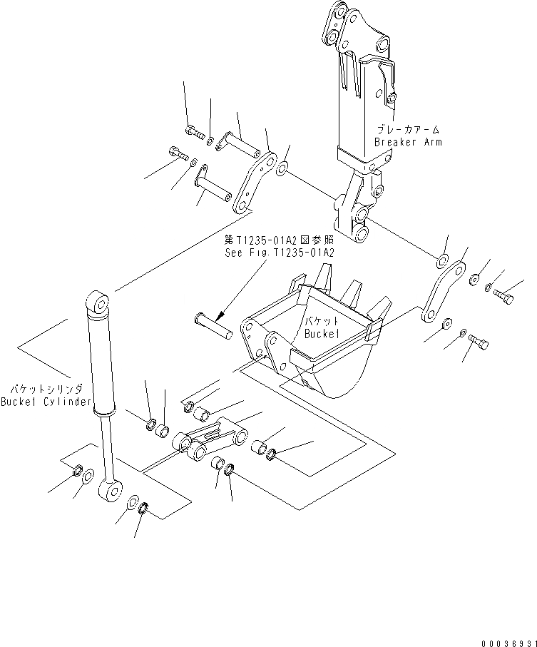
Запчасти Komatsu PC03-2 СОЕДИНЕНИЕ КОВША (ДЛЯ МОЛОТА РУКОЯТЬ СПЕЦ-Я.) РАБОЧЕЕ ОБОРУДОВАНИЕ

Схема запчастей Komatsu PC03-2 - СОЕДИНЕНИЕ КОВША (ДЛЯ МОЛОТА РУКОЯТЬ СПЕЦ-Я.) РАБОЧЕЕ ОБОРУДОВАНИЕ
1
2
2
3
3
4
4
4
4
4
4
5
6
7
7
8
8
9
9
9
9
10
10
10
10
11
11
11
11
FIT
1:1
100%

Артикул

Название

Примечание

Количество

1

21S-70-28710

LINK

2

20A-70-11860

BUSHING

3

20A-70-11720

BUSHING

4

20A-70-12211

SEAL,DUST

5

21S-70-28340

PLATE,R.H.

6

21S-70-28330

PLATE,L.H.

7

20A-70-F1830

PIN,(BUCKET LINK)

8

21S-70-11330

WASHER

9

01010-81020

BOLT

10

01643-31032

WASHER

11

21R-70-11380

SPACER, 1.0MM

Выбрано товаров: 11