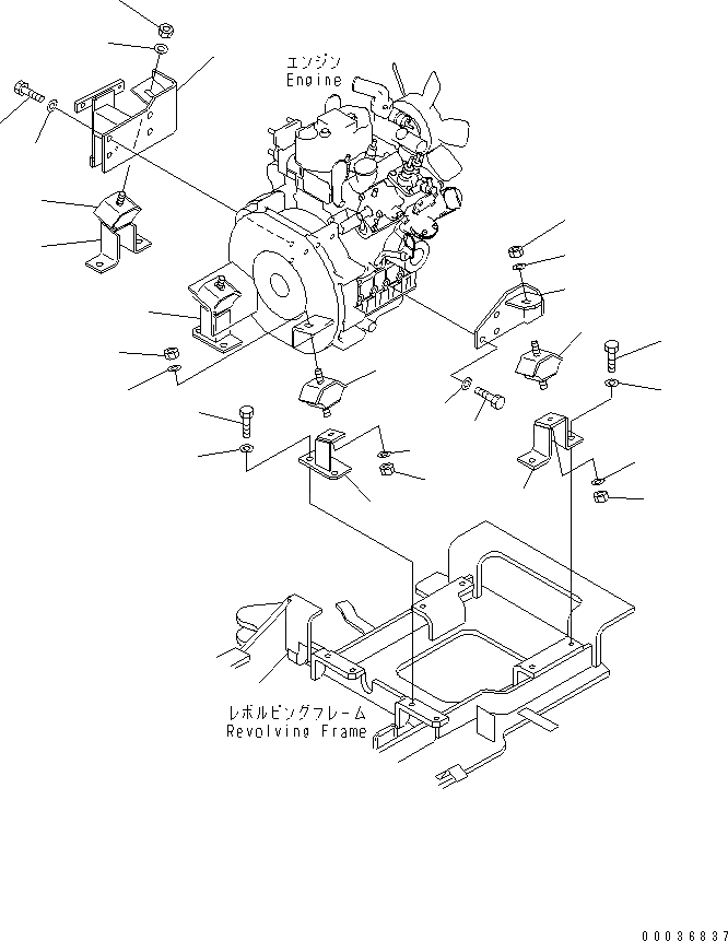
Запчасти Komatsu PC03-2 КРЕПЛЕНИЕ ДВИГАТЕЛЯ (ДЛЯ DIESEL СПЕЦ-Я.) КОМПОНЕНТЫ ДВИГАТЕЛЯ

Схема запчастей Komatsu PC03-2 - КРЕПЛЕНИЕ ДВИГАТЕЛЯ (ДЛЯ DIESEL СПЕЦ-Я.) КОМПОНЕНТЫ ДВИГАТЕЛЯ
1
2
3
4
5
6
6
7
7
8
8
8
9
9
9
9
9
10
10
10
10
10
11
12
12
13
13
FIT
1:1
100%

Артикул

Название

Примечание

Количество

1

21S-01-22255

BRACKET,(R.H.)

2

21S-01-22212

BRACKET,(R.H.)

3

21S-01-22222

BRACKET,(L.H.)

4

21S-01-22233

BRACKET,(R.H.)

5

21S-01-22242

BRACKET,(L.H.)

6

01010-81025

BOLT

7

01643-31032

WASHER

8

21S-01-22270

CUSHION

9

01580-10806

NUT

10

01643-30823

WASHER

11

21S-01-22262

BRACKET,(L.H.)

12

01010-81025

BOLT

13

01643-31032

WASHER

Выбрано товаров: 13