Запчасти Komatsu PC03-2 ОСНОВН. УПРАВЛ-Е (РЫЧАГ БЛОКИРОВКИ) КАБИНА ОПЕРАТОРА И СИСТЕМА УПРАВЛЕНИЯ

Схема запчастей Komatsu PC03-2 - ОСНОВН. УПРАВЛ-Е (РЫЧАГ БЛОКИРОВКИ) КАБИНА ОПЕРАТОРА И СИСТЕМА УПРАВЛЕНИЯ
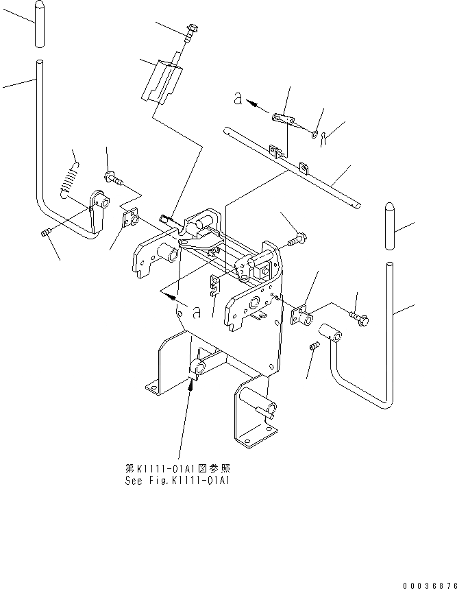
1
2
3
3
4
4
5
6
7
8
8
9
10
11
12
13
14
15
16
FIT
1:1
100%

Артикул

Название

Примечание

Количество

1

21S-43-28121

LEVER,L.H.

2

21S-43-28131

LEVER,R.H.

3

01312-20412

SCREW

4

417-43-28270

CAP

5

21S-43-28142

SHAFT

6

21S-43-28150

BRACKET,L.H.

7

21S-43-28160

BRACKET,R.H.

8

01435-00616

BOLT

9

21S-43-28191

PLATE

10

01640-20610

WASHER

11

21S-43-28230

BRACKET

12

04050-11612

PIN,COTTER

13

21S-43-28222

COVER

14

01435-00612

BOLT

15

203-43-21370

SPRING

16

01435-00616

BOLT

Выбрано товаров: 16