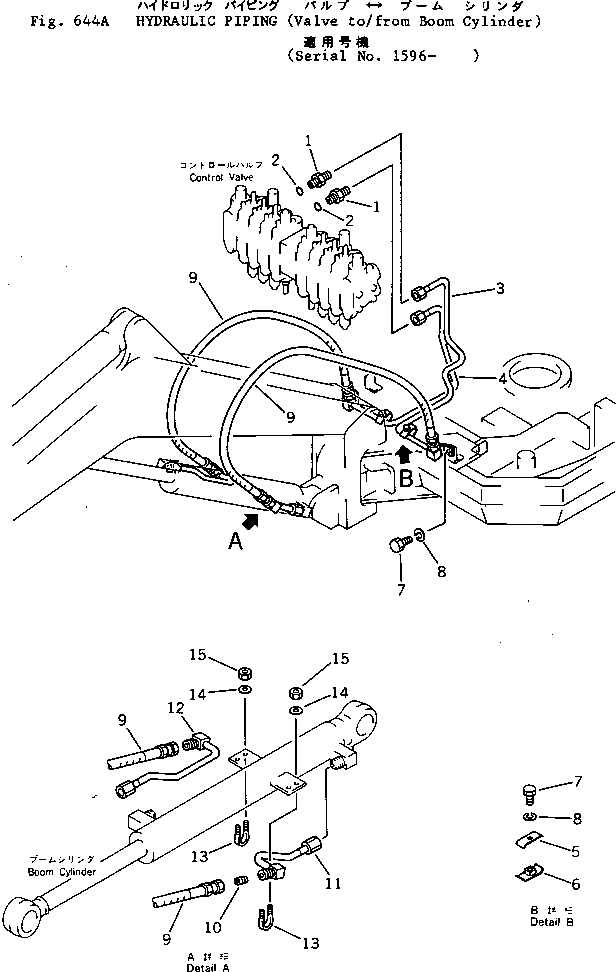
Запчасти Komatsu PC05-1 ГИДРОЛИНИЯ (КЛАПАН TO/FROM ЦИЛИНДР СТРЕЛЫ)(№9-) ГИДРАВЛИКА

Схема запчастей Komatsu PC05-1 - ГИДРОЛИНИЯ (КЛАПАН TO/FROM ЦИЛИНДР СТРЕЛЫ)(№9-) ГИДРАВЛИКА
FIT
1:1
100%

Артикул

Название

Примечание

Количество

1

20M-62-11310

NIPPLE

2

07000-12014

O-RING

3

20M-62-11510

TUBE

4

20M-62-11520

TUBE

5

20M-62-11730

CLAMP

6

20M-62-11740

CLAMP

7

01010-30816

BOLT

8

01602-00825

WASHER,SPRING

9

20M-62-13110

HOSE

10

20N-62-12550

PLUG

11

20M-62-13122

TUBE

12

20M-62-13142

TUBE

13

07283-21022

CLIP

14

01643-00623

WASHER

15

01598-00608

NUT

Выбрано товаров: 0