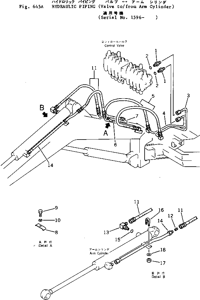
Запчасти Komatsu PC05-1 ГИДРОЛИНИЯ (КЛАПАН TO/FROM ЦИЛИНДР РУКОЯТИ)(№9-) ГИДРАВЛИКА

Схема запчастей Komatsu PC05-1 - ГИДРОЛИНИЯ (КЛАПАН TO/FROM ЦИЛИНДР РУКОЯТИ)(№9-) ГИДРАВЛИКА
FIT
1:1
100%

Артикул

Название

Примечание

Количество

1

20M-62-11310

NIPPLE

2

07000-12014

O-RING

3

20M-62-11550

TUBE

4

20M-62-11560

TUBE

5

20M-62-13210

HOSE

6

20M-62-13220

TUBE

7

20M-62-13230

TUBE

8

20M-62-13420

CLAMP

9

01010-30820

BOLT

10

01602-00825

WASHER,SPRING

11

20M-62-11690

HOSE

12

20M-62-11660

PLUG

13

20D-62-12180

ELBOW

14

20M-62-13242

TUBE

15

07002-11423

O-RING

16

07283-21022

CLIP

17

01598-00608

NUT

18

01643-00623

WASHER

Выбрано товаров: 18