Запчасти Komatsu PC05-1 ОТВАЛ (T.B.G. СПЕЦ-Я.)(№-) ОПЦИОННЫЕ КОМПОНЕНТЫ

Схема запчастей Komatsu PC05-1 - ОТВАЛ (T.B.G. СПЕЦ-Я.)(№-) ОПЦИОННЫЕ КОМПОНЕНТЫ
FIT
1:1
100%

Артикул

Название

Примечание

Количество

|$0

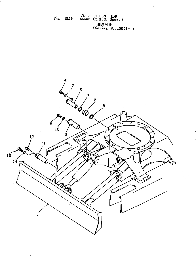
20M-71-11100

BLADE ASS'Y

1

BLADE

2

07144-10303

BUSHING

3

07145-00030

SEAL,DUST

4

07020-00675

FITTING,GREASE

5

20M-71-11121

PIN

6

01010-31020

BOLT

7

01602-01030

WASHER,SPRING

8

20M-71-11130

PIN

9

01010-31020

BOLT

10

01602-01030

WASHER,SPRING

11

20M-71-11140

PIN

12

07020-00000

FITTING,GREASE

13

01010-31030

BOLT

14

01602-01030

WASHER,SPRING

Выбрано товаров: 15