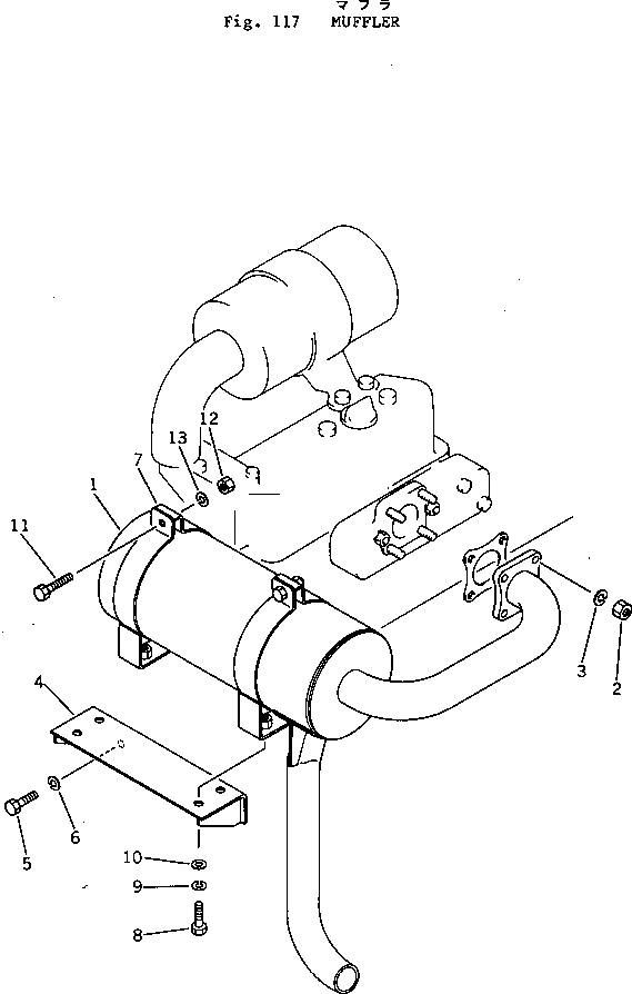
Запчасти Komatsu PC05-1 ГЛУШИТЕЛЬ КОМПОНЕНТЫ ДВИГАТЕЛЯ И ЭЛЕКТРИКА

Схема запчастей Komatsu PC05-1 - ГЛУШИТЕЛЬ КОМПОНЕНТЫ ДВИГАТЕЛЯ И ЭЛЕКТРИКА
FIT
1:1
100%

Артикул

Название

Примечание

Количество

1

20M-02-11110

MUFFLER

2

01580-00806

NUT

3

01602-00825

WASHER,SPRING

4

20M-02-12210

BRACKET

5

01010-30820

BOLT

6

01602-00825

WASHER,SPRING

7

20M-02-12220

BAND

8

01010-30820

BOLT

9

01602-00825

WASHER,SPRING

10

01643-30823

WASHER

11

01010-30830

BOLT

12

01580-00806

NUT

13

01602-00825

WASHER,SPRING

Выбрано товаров: 13