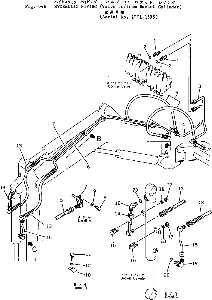
Запчасти Komatsu PC05-1 ГИДРОЛИНИЯ (КЛАПАН TO/FROM ЦИЛИНДР КОВША)(№-9) ГИДРАВЛИКА

Схема запчастей Komatsu PC05-1 - ГИДРОЛИНИЯ (КЛАПАН TO/FROM ЦИЛИНДР КОВША)(№-9) ГИДРАВЛИКА
FIT
1:1
100%

Артикул

Название

Примечание

Количество

1

20M-62-11310

NIPPLE

2

07000-12014

O-RING

3

20M-62-11530

TUBE

4

20M-62-11540

TUBE

5

20M-62-13210

HOSE

6

20M-62-13310

TUBE

7

20M-62-13320

TUBE

8

01010-30820

BOLT

9

01602-00825

WASHER,SPRING

10

20M-62-13410

CLAMP

11

01010-30812

BOLT

12

01602-00825

WASHER,SPRING

13

20M-62-12220

HOSE

14

20M-62-13331

TUBE

15

20M-62-13341

TUBE

16

07283-21022

CLIP

17

01598-00608

NUT

18

01643-00623

WASHER

19

07235-10210

ELBOW

20

07002-11423

O-RING

Выбрано товаров: 20