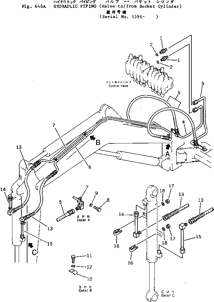
/ / / / / / ГИДРОЛИНИЯ (КЛАПАН TO/FROM ЦИЛИНДР КОВША)(№9-)
Запчасти Komatsu PC05-1 ГИДРОЛИНИЯ (КЛАПАН TO/FROM ЦИЛИНДР КОВША)(№9-) ГИДРАВЛИКА
1
20M-62-11310
NIPPLE
2
07000-12014
O-RING
3
20M-62-11530
TUBE
4
20M-62-11540
TUBE
5
20M-62-13210
HOSE
6
20M-62-13310
TUBE
7
20M-62-13320
TUBE
8
01010-30820
BOLT
9
01602-00825
WASHER,SPRING
10
20M-62-13410
CLAMP
11
01010-30812
BOLT
12
01602-00825
WASHER,SPRING
13
20M-62-12220
HOSE
14
20M-62-13332
TUBE
15
20M-62-13342
TUBE
16
07283-21022
CLIP
17
01598-00608
NUT
18
01643-00623
WASHER
Выбрано товаров: 0