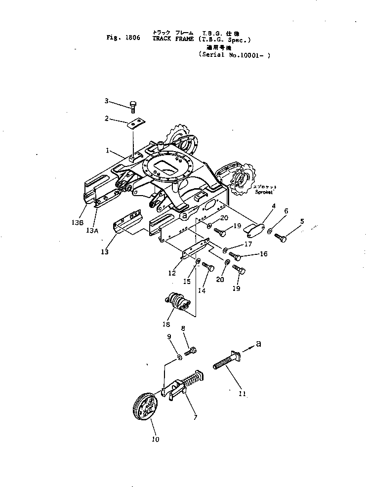
Запчасти Komatsu PC05-1 ГУСЕНИЧНАЯ РАМА (T.B.G. СПЕЦ-Я.)(№-) ОПЦИОННЫЕ КОМПОНЕНТЫ

Схема запчастей Komatsu PC05-1 - ГУСЕНИЧНАЯ РАМА (T.B.G. СПЕЦ-Я.)(№-) ОПЦИОННЫЕ КОМПОНЕНТЫ
FIT
1:1
100%

Артикул

Название

Примечание

Количество

1

20M-30-19710

TRACK FRAME ASS'Y

2

20M-30-11830

PLATE

3

01010-31020

BOLT

4

20M-30-11850

COVER

5

01010-31020

BOLT

6

01602-01030

WASHER,SPRING

7

20M-30-11300

IDLER CUSHION ASS'Y

8

01010-31025

BOLT

9

01602-01030

WASHER,SPRING

10

20M-30-11100

IDLER ASS'Y

11

20M-30-11840

BOLT

12

20M-30-11870

GUARD,L.H. OUTER

13

20M-30-11820

GUARD,L.H. INNER

13A

20M-30-11810

GUARD,R.H. INNER

13B

20M-30-11880

GUARD,R.H. OUTER

14

01010-31025

BOLT

15

01643-01032

WASHER

16

01010-31030

BOLT

17

01643-01032

WASHER

18

20M-30-11500

TRACK ROLLER ASS'Y

19

01010-31025

BOLT

20

01643-01032

WASHER

Выбрано товаров: 22