Запчасти Komatsu PC05-1 МАРКИРОВКА (ПОРТУГАЛ.) (T.B.G. СПЕЦ-Я.)(№-) ОПЦИОННЫЕ КОМПОНЕНТЫ

Схема запчастей Komatsu PC05-1 - МАРКИРОВКА (ПОРТУГАЛ.) (T.B.G. СПЕЦ-Я.)(№-) ОПЦИОННЫЕ КОМПОНЕНТЫ
FIT
1:1
100%

Артикул

Название

Примечание

Количество

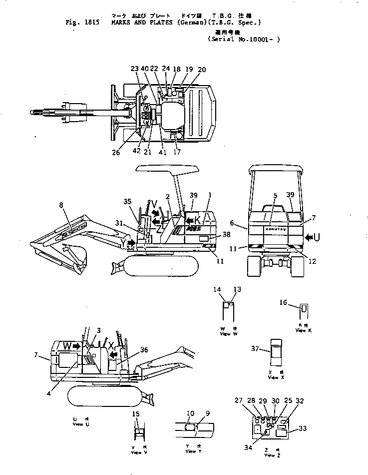
1

20M-98-21141

PLATE, MARK,PC50

2

20M-98-21180

PLATE, STRIPE

3

20M-98-21150

PLATE, STRIPE

4

20M-98-21240

PLATE, STRIPE

5

20M-98-21160

PLATE, MARK,KOMATSU

6

20M-98-21190

PLATE, STRIPE

7

20M-98-21230

PLATE, STRIPE

8

20M-98-21170

PLATE, MARK,KOMATSU

9

09601-20835

PLATE, NAME,(LIMITED SUPPLY)

10

04418-13060

SCREW

11

20M-98-22160

PLATE, STRIPE,L.H.

12

20M-98-22170

PLATE, STRIPE,R.H.

13

09668-02000

PLATE, SAFETY,RADIATOR CAP

14

09650-21103

PLATE, INSTRUCTION,RADIATOR

15

09101-02000

PLATE, CAUTION,RECOMMENDED FUEL OIL

16

20S-98-12120

PLATE, CAUTION,FUEL FILTER

17

09652-21101

PLATE, CAUTION,FUEL TANK

18

09653-02000

PLATE, SAFETY,HYDRAULIC TANK

19

201-98-29340

PLATE, INSTRUCTION,HYDRAULIC OIL

20

201-98-29350

PLATE, CAUTION,HYDRAULIC OIL FILTER

21

20T-98-21140

CHART, OIL,OPERATING

22

09670-00002

PLATE, OPERATING,BLADE

23

362-54-17320

PLATE, OPERATING,ENGINE CONTROL

24

20T-98-22250

PLATE, OPERATING,INSTRUCTION

25

09683-21060

PLATE, OPERATING,STARTER SWITCH

26

09609-24008

PLATE, NAME,LAMP SWITCH

27

09609-24001

PLATE, NAME,CHARGE LAMP

28

20M-98-22120

PLATE, NAME,WATER TEMPERATURE LAMP

29

09609-24002

PLATE, NAME,OIL PRESSURE

30

20M-98-22130

PLATE, NAME,THERMO LAMP

31

20M-98-22110

PLATE, SAFETY,SWING LOCK LEVER

32

09651-02000

PLATE, SAFETY,BEFORE OPERATING

33

09132-02000

PLATE, SAFETY,WARNING

34

20T-98-22340

PLATE, OPERATING,SWITCH

35

09173-02000

PLATE, SAFETY,INSTRUCTION

36

20T-98-19350

PLATE, CAUTION,TRACK LOADING

37

20M-98-21330

CHART, OIL

38

20T-98-22330

PLATE, SAFETY,ENGINE COVER

39

20T-98-22240

PLATE, SAFETY,KEEP OUT OF TURNING AREA

40

20M-98-22180

PLATE, INSTRUCTION,LIFTING CAPACITY

41

20M-98-22190

PLATE, INSTRUCTION,LIFTING CAPACITY

42

20M-98-22210

PLATE, CAUTION

Выбрано товаров: 42