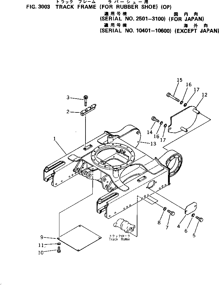
Запчасти Komatsu PC05-5 ГУСЕНИЧНАЯ РАМА (ДЛЯ РЕЗИН. SHOE)(№-) ХОДОВАЯ

Схема запчастей Komatsu PC05-5 - ГУСЕНИЧНАЯ РАМА (ДЛЯ РЕЗИН. SHOE)(№-) ХОДОВАЯ
FIT
1:1
100%

Артикул

Название

Примечание

Количество

1

20M-30-31711

FRAME

2

20M-35-31830

BRACKET

3

01252-41025

BOLT

4

20N-30-41240

COVER

5

01010-51020

BOLT

6

01602-21030

WASHER

7

01010-51025

BOLT

8

01643-31032

WASHER

9

20M-30-31630

PLATE

10

01010-50820

BOLT

11

01602-20825

WASHER

12

20M-30-31610

COVER,L.H.

13

20M-30-31620

COVER,R.H.

14

01010-51025

BOLT

15

01011-51005

BOLT

16

01602-21030

WASHER

17

01643-31032

WASHER

Выбрано товаров: 17