Запчасти Komatsu PC05-5 ПЕРЕДН. ЛЕНИВЕЦ (ДЛЯ РЕЗИН. SHOE) ХОДОВАЯ

Схема запчастей Komatsu PC05-5 - ПЕРЕДН. ЛЕНИВЕЦ (ДЛЯ РЕЗИН. SHOE) ХОДОВАЯ
FIT
1:1
100%

Артикул

Название

Примечание

Количество

|$0

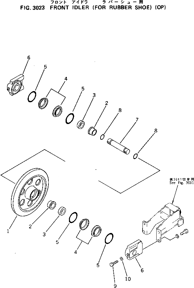
20M-35-31100

IDLER ASS'Y

1

20M-35-31110

IDLER

2

20M-30-31130

BUSHING

3

20M-30-11140

COLLAR

|$4

110-30-00045

FLOATING SEAL ASS'Y

4

101-30-00130

SEAL RING ASS'Y

4

RING

5

101-30-00140

O-RING ASS'Y

5

O-RING

6

20M-30-11150

SUPPORT

7

20M-30-31121

SHAFT

8

07000-02021

O-RING

9

01090-50840

BOLT

10

01602-20825

WASHER

Выбрано товаров: 14