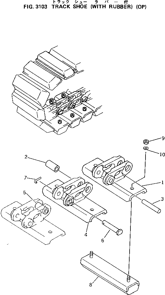
Запчасти Komatsu PC05-5 ГУСЕНИЦЫ (С РЕЗИН.) ХОДОВАЯ

Схема запчастей Komatsu PC05-5 - ГУСЕНИЦЫ (С РЕЗИН.) ХОДОВАЯ
FIT
1:1
100%

Артикул

Название

Примечание

Количество

|$0

20M-32-00020

TRACK SHOE ASS'Y

|$1

20M-32-00011

TRACK SHOE ASS'Y

1

20M-32-13100

SHOE ASS'Y,REGULAR

2

20M-32-11140

BUSHING

3

20M-32-11160

PIN,REGULAR

4

20M-32-13200

SHOE ASS'Y,MASTER

5

20M-32-11140

BUSHING

6

20M-32-11240

PIN,MASTER

7

20M-32-11250

PIN,LOCK

8

20M-32-13410

CUSHION

9

01580-11210

NUT

10

01643-31232

WASHER

Выбрано товаров: 0