Запчасти Komatsu PC05-5 ОСНОВНАЯ РАМА(№-) ОСНОВНАЯ РАМА И КАБИНА

Схема запчастей Komatsu PC05-5 - ОСНОВНАЯ РАМА(№-) ОСНОВНАЯ РАМА И КАБИНА
FIT
1:1
100%

Артикул

Название

Примечание

Количество

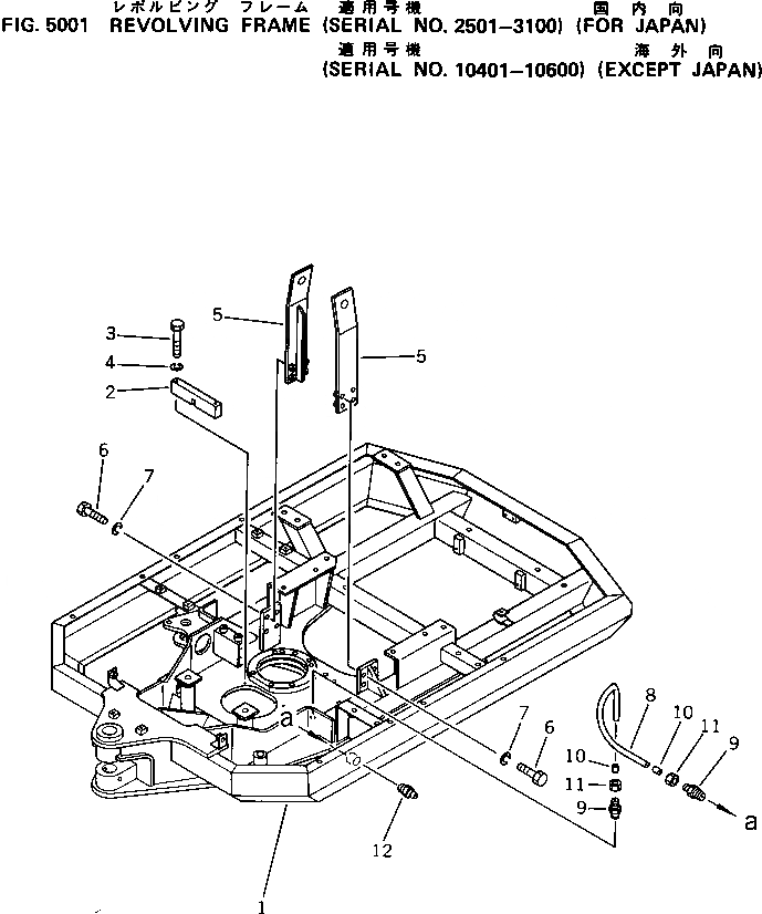
1

20M-46-31111

FRAME

2

20M-46-31311

STOPPER

3

01010-50855

BOLT

4

01602-20825

WASHER

5

20M-46-31351

BRACKET

6

01010-51035

BOLT

7

01602-21030

WASHER

8

20M-46-31411

TUBE

9

20R-46-11160

CONNECTOR

10

07831-00411

SLEEVE

11

07832-00410

NUT

12

07020-00000

FITTING

Выбрано товаров: 12