Запчасти Komatsu PC05-5 ГИДР. НАСОС. (/)(№78-) УПРАВЛ-Е РАБОЧИМ ОБОРУДОВАНИЕМ

Схема запчастей Komatsu PC05-5 - ГИДР. НАСОС. (/)(№78-) УПРАВЛ-Е РАБОЧИМ ОБОРУДОВАНИЕМ
FIT
1:1
100%

Артикул

Название

Примечание

Количество

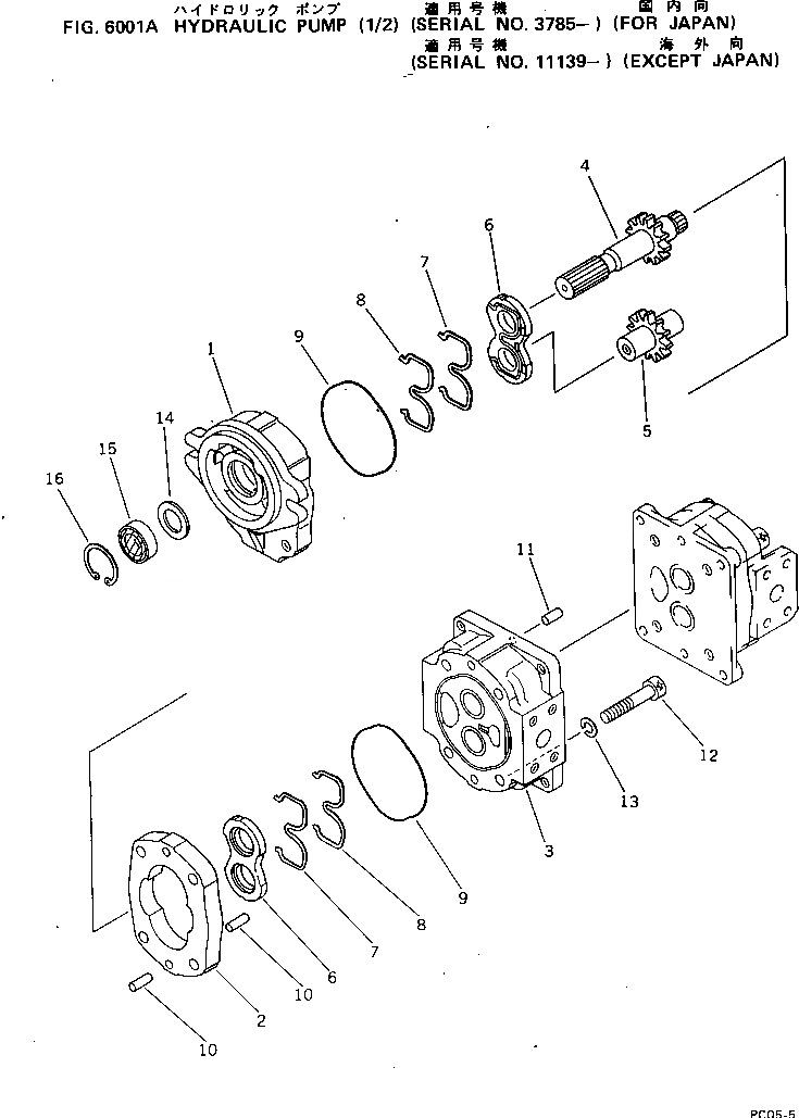
|1

705-84-10010

PUMP ASS'Y

|1

705-72-19210

PUMP ASS'Y,(LBR 6)

1

BRACKET ASS'Y

2

CASE

3

CARRIER

4

GEAR,DRIVE

5

GEAR,DRIVEN

6

705-67-01610

PLATE

7

705-17-01470

SEAL

8

705-67-01440

RING,BACK-UP

9

705-17-01381

O-RING

10

04020-00820

PIN

11

705-67-01230

PIN

12

01252-31055

BOLT

13

01602-21030

WASHER

14

705-17-01870

PLATE

15

704-17-01810

SEAL

16

04065-03515

RING

Выбрано товаров: 18