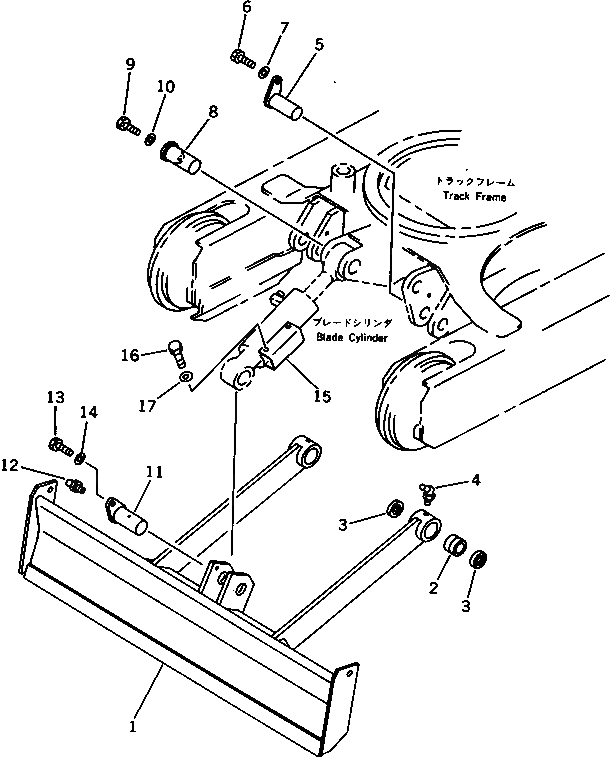
Запчасти Komatsu PC05-6 ОТВАЛ РАБОЧЕЕ ОБОРУДОВАНИЕ

Схема запчастей Komatsu PC05-6 - ОТВАЛ РАБОЧЕЕ ОБОРУДОВАНИЕ
FIT
1:1
100%

Артикул

Название

Примечание

Количество

G1

20M-71-X6110

BLADE SUB GROUP

|1

20M-71-00610

BLADE ASS'Y

1

BLADE

2

07144-10303

BUSHING

3

07145-00030

SEAL,DUST

4

07020-00675

FITTING,GREASE

G2

20M-71-X6120

BLADE PIN GROUP

5

20M-71-31120

PIN

6

01010-51020

BOLT

7

01643-31032

WASHER

8

20M-71-31130

PIN

9

01010-51020

BOLT

10

01643-31032

WASHER

11

20M-71-31140

PIN

12

07020-00000

FITTING,GREASE

13

01010-51020

BOLT

14

01643-31032

WASHER

G3

20M-71-X6140

CYLINDER COVER G.

15

20M-71-48121

COVER

16

01010-50816

BOLT

17

01643-30823

WASHER

Выбрано товаров: 0