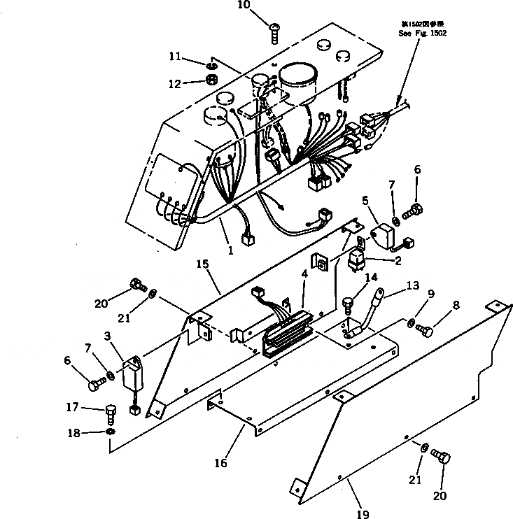
Запчасти Komatsu PC05-6 ЭЛЕКТРИКА (/) (ЛИНИЯ ПАНЕЛИ ПРИБОРОВ)(№-) КОМПОНЕНТЫ ДВИГАТЕЛЯ И ЭЛЕКТРИКА

Схема запчастей Komatsu PC05-6 - ЭЛЕКТРИКА (/) (ЛИНИЯ ПАНЕЛИ ПРИБОРОВ)(№-) КОМПОНЕНТЫ ДВИГАТЕЛЯ И ЭЛЕКТРИКА
FIT
1:1
100%

Артикул

Название

Примечание

Количество

1

20W-06-11112

WIRE ASS'Y

2

YM121522-77101

RELAY,SAFETY

3

YM128300-77920

TIMER,GLOW PLUG

4

YM119640-77711

LIMITER,CURRENT

4

YM119640-77710

LIMITER,CURRENT

5

YM121522-77721

INDICATOR,CHARGE

6

01010-50616

BOLT

7

01643-30623

WASHER

8

01010-50625

BOLT

9

01643-30623

WASHER

10

01220-40516

SCREW

11

01601-20513

WASHER,SPRING

12

01580-10504

NUT

13

20M-06-48221

WIRE

14

01010-50812

BOLT

15

20W-06-11130

PLATE

16

20M-06-48150

PLATE

17

01010-50816

BOLT

18

01643-30823

WASHER

19

20M-06-48122

PLATE

20

01010-50610

BOLT

21

01643-30623

WASHER

Выбрано товаров: 22