Качественные детали и логистика
Оригинальные и аналоговые запчасти с доставкой по России, Казахстану и Беларуси
©2022 PartSell ООО "Система" ИНН 2463123282 ОГРН 1212400004838
Центральный офис: г. Красноярск, Академика Киренского, д.87, пом.4
Телефон: 8 (800) 777-65-74 Email: zakaz@partsell.ru
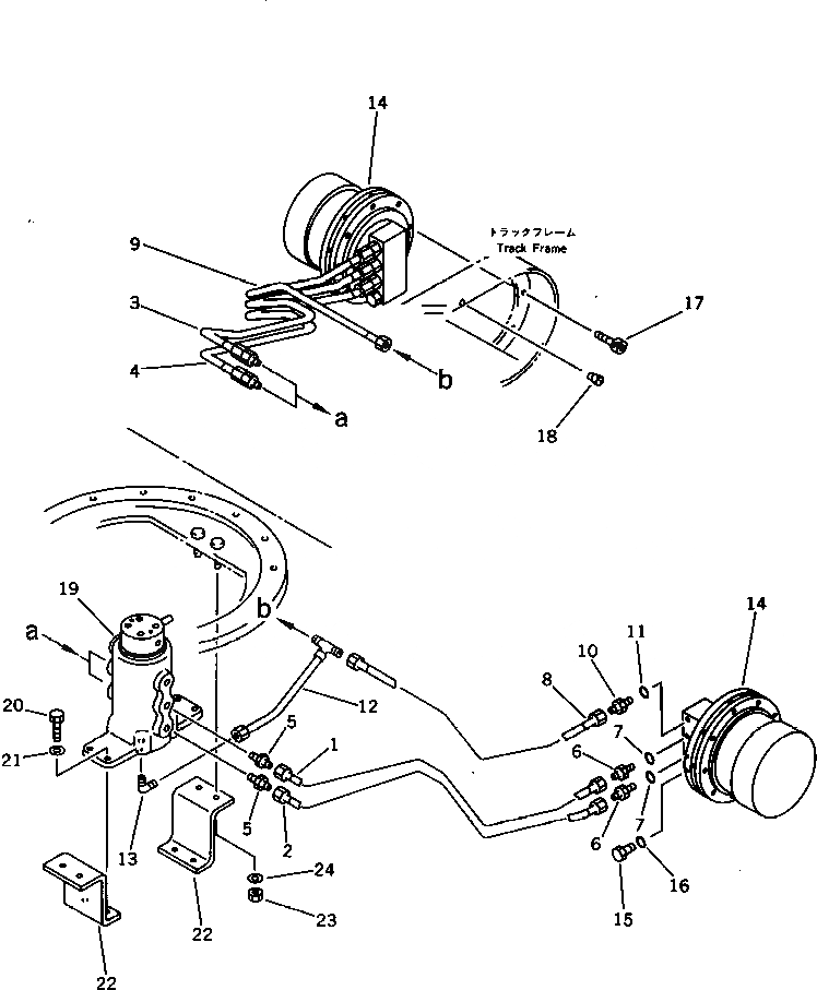
ГИДРОЛИНИЯ (МОТОР ХОДА ЛИНИЯ) (НИЖН.)
№
Артикул
Название
Примечание
Количество
1
20W-62-11110
TUBE
2
20W-62-11120
3
20W-62-11130
4
20W-62-11140
5
20W-62-11330
NIPPLE
6
20W-62-11310
CONNECTOR
7
07000-12014
O-RING
8
20W-62-11150
9
20W-62-11160
10
20W-62-11320
11
07000-12011
12
20W-62-11170
13
20W-62-11340
ELBOW
14
20M-60-40100
TRAVEL MOTOR ASS'Y,(SEE FIG.6431)
15
20N-62-31220
PLUG
16
17
01252-41025
BOLT
18
07049-01012
19
703-05-12150
SWIVEL JOINT ASS'Y,(SEE FIG.6401A)
20M-60-24000
SWIVEL JOINT ASS'Y,(SEE FIG.6401)
20
01010-50825
21
01643-30823
WASHER
22
20W-62-11220
BRACKET
23
01580-11008
NUT
24
01643-31032
Выбрано товаров: 0