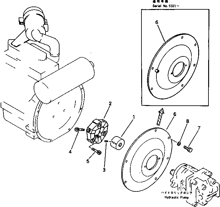
Запчасти Komatsu PC05-6 МЕХ-М ОТБОРА МОЩНОСТИ КОМПОНЕНТЫ ДВИГАТЕЛЯ И ЭЛЕКТРИКА

Схема запчастей Komatsu PC05-6 - МЕХ-М ОТБОРА МОЩНОСТИ КОМПОНЕНТЫ ДВИГАТЕЛЯ И ЭЛЕКТРИКА
FIT
1:1
100%

Артикул

Название

Примечание

Количество

|$0

20N-01-43700

COUPLING ASS'Y

1

20N-01-43710

BOSS

2

20R-01-11210

RUBBER

3

04025-00408

PIN,SPRING

4

20M-01-16630

BOLT

5

20N-01-43251

BOLT

5

01252-41035

BOLT

6

20W-01-15111

COVER

6

20N-01-43510

COVER

7

01010-51020

BOLT

8

01643-31032

WASHER

Выбрано товаров: 11