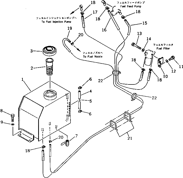
Запчасти Komatsu PC05-6 ТОПЛ. БАК И ТОПЛИВОПРОВОД(№-) КОМПОНЕНТЫ ДВИГАТЕЛЯ И ЭЛЕКТРИКА

Схема запчастей Komatsu PC05-6 - ТОПЛ. БАК И ТОПЛИВОПРОВОД(№-) КОМПОНЕНТЫ ДВИГАТЕЛЯ И ЭЛЕКТРИКА
FIT
1:1
100%

Артикул

Название

Примечание

Количество

1

20W-04-11111

TANK,FUEL

2

07056-16415

STRAINER

3

20Y-04-11160

CAP

4

07270-01022

TUBE

5

20R-04-21210

BALL

6

07281-00167

CLAMP

7

07700-40240

VALVE

8

01010-50820

BOLT

9

01643-30823

WASHER

10

20M-04-31210

BRACKET

11

01010-51020

BOLT

12

01643-31032

WASHER

13

01010-50870

BOLT

14

01641-20812

WASHER

15

20M-04-48211

HOSE

16

20M-04-32270

HOSE

17

20M-04-32251

HOSE

18

07281-00137

CLAMP

19

20M-04-48221

HOSE

20

07285-00080

CLIP

21

08034-00536

BAND

22

08034-00519

BAND

Выбрано товаров: 22