Запчасти Komatsu PC05-7 МАРКИРОВКА (JIS PATTERN) (ЯПОН.)(№7-) ЧАСТИ BOOK

Схема запчастей Komatsu PC05-7 - МАРКИРОВКА (JIS PATTERN) (ЯПОН.)(№7-) ЧАСТИ BOOK
FIT
1:1
100%

Артикул

Название

Примечание

Количество

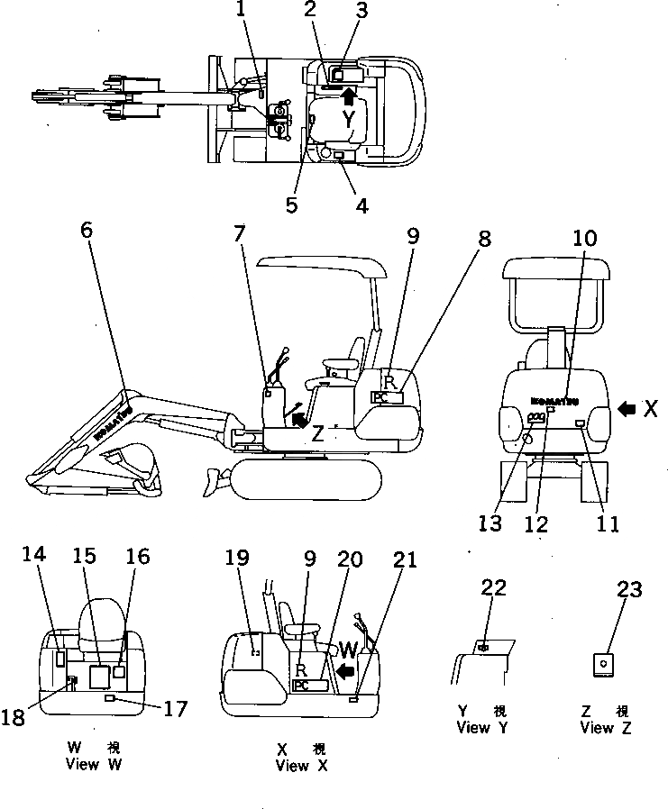
1

20T-98-22250

PLATE¤ OPERATING,BOOM SWING

2

20M-98-71330

PLATE¤ OPERATING,BLADE AND ENGINE

3

20M-98-71310

PLATE¤ CAUTION,BEFORE OPERATING

4

20M-98-71380

PLATE¤ CAUTION,FUEL TANK

5

20N-06-71440

PLATE¤ NAME,FUSE BOX

6

09690-C0250

PLATE¤ MARK,KOMATSU

7

20N-98-71130

PLATE¤ OPERATING,LOCK LEVER

8

20M-98-71211

PLATE¤ MARK,PC05

9

20T-98-71160

PLATE¤ MARK,AVANCE R

10

09690-C0200

PLATE¤ MARK,KOMATSU

11

20M-98-71110

PLATE¤ CAUTION,HOOD OPEN

12

20T-98-71410

PLATE¤ CAUTION,FUEL FILTER

13

20M-98-71130

PLATE¤ CAUTION,KEEP OUT OF TURNING AREA

14

20M-98-71160

PLATE¤ CAUTION,HYDRAULIC TANK CAP

15

20M-98-71170

CHART¤ OIL

16

20M-98-71321

PLATE¤ DATA

17

09601-00835

PLATE¤ NAME,(LIMITED SUPPLY)

|17

04418-13060

SCREW

18

09685-00002

PLATE¤ OPERATING,SWING LOCK LEVER

19

09668-00100

PLATE¤ SAFETY,RADIATOR CAP

20

20M-98-62571

PLATE¤ MARK,PC05

21

20T-98-71420

PLATE¤ CAUTION,GREASE

22

09683-01060

PLATE¤ OPERATING,STARTING SWITCH

23

20M-98-73150

PLATE¤ OPERATING,PATTERN

Выбрано товаров: 24