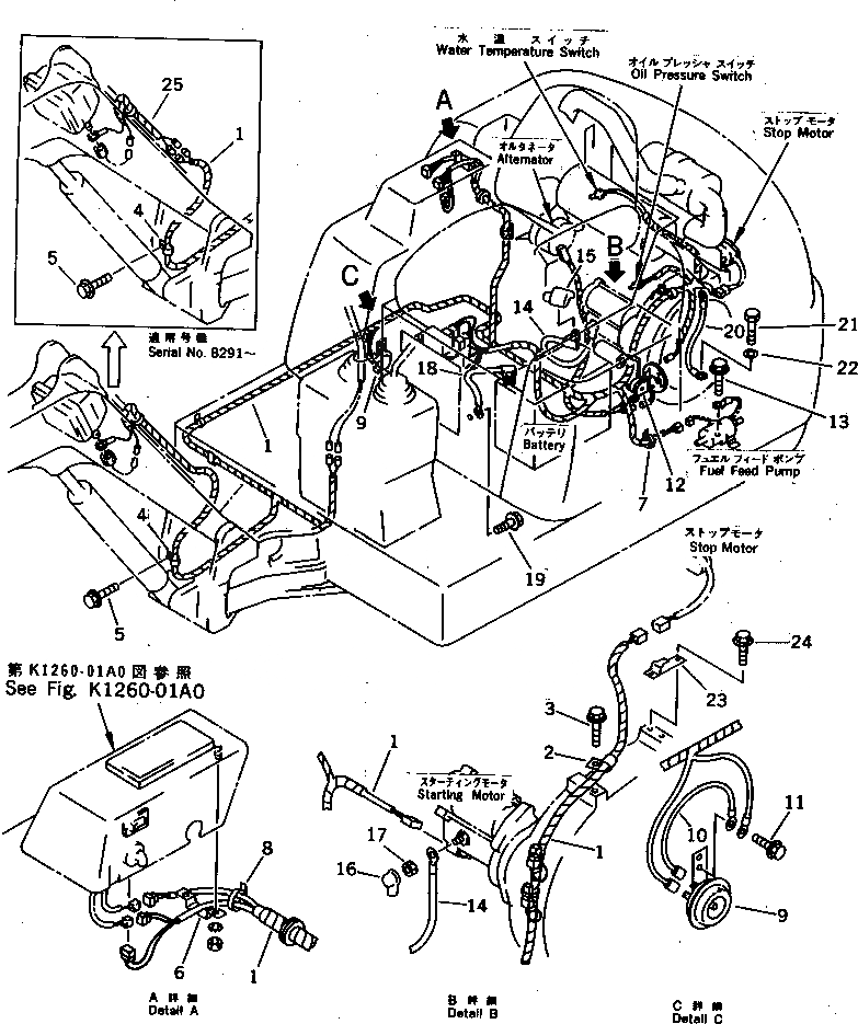
Запчасти Komatsu PC05-7 ЭЛЕКТР. ЭЛЕКТРОПРОВОДКА (ДВИГАТЕЛЬ И ЛИНИЯ ПАНЕЛИ ПРИБОРОВ)(№8-) ЭЛЕКТРИКА

Схема запчастей Komatsu PC05-7 - ЭЛЕКТР. ЭЛЕКТРОПРОВОДКА (ДВИГАТЕЛЬ И ЛИНИЯ ПАНЕЛИ ПРИБОРОВ)(№8-) ЭЛЕКТРИКА
FIT
1:1
100%

Артикул

Название

Примечание

Количество

1

20M-06-73113

WIRING HARNESS

|1

20M-06-73112

WIRING HARNESS

|1

203-06-57241

FUSIBLE LINK

|1

20N-06-41650

DIODE

|1

08020-00000

DIODE

|1

20M-06-73190

GROMMET

|1

98037-02512

GROMMET

2

08036-01414

CLIP

3

01435-01016

BOLT

4

08036-11210

CLIP

5

01435-00816

BOLT

6

20M-06-71170

PLATE

7

08034-00536

BAND

8

08034-00519

BAND

9

20N-06-41590

HORN

10

20N-06-41690

CABLE

11

01435-00610

BOLT

12

20M-06-72130

SENSOR,FUEL LEVEL

13

01435-00616

BOLT

14

20M-06-72210

CABLE

15

20M-06-72230

CAP

16

08038-04030

CAP

17

01580-10806

NUT

18

20M-06-72220

CABLE

19

01435-00812

BOLT

20

20M-06-32170

WIRE ASS'Y

21

01010-50816

BOLT

22

01643-30823

WASHER

23

20M-06-72170

BRACKET

24

01435-01016

BOLT

25

20M-06-73230

WIRING HARNESS

Выбрано товаров: 31