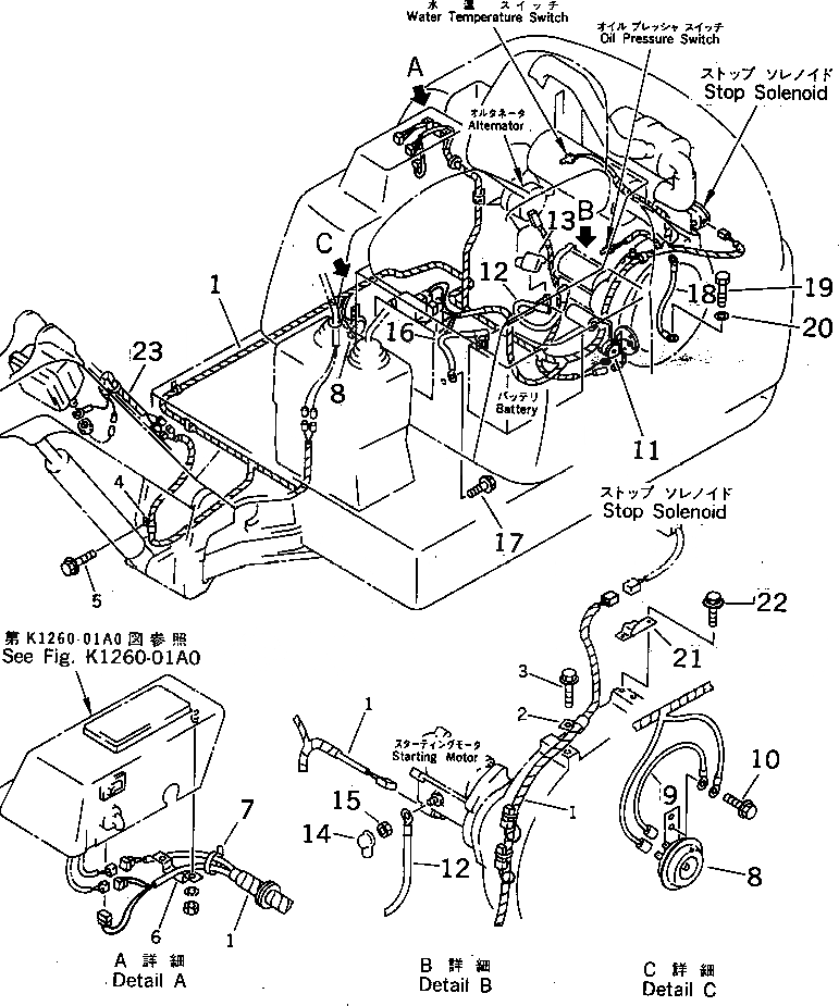
Запчасти Komatsu PC05-7 ЭЛЕКТР. ЭЛЕКТРОПРОВОДКА (ДВИГАТЕЛЬ И ЛИНИЯ ПАНЕЛИ ПРИБОРОВ)(№7-) ЭЛЕКТРИКА

Схема запчастей Komatsu PC05-7 - ЭЛЕКТР. ЭЛЕКТРОПРОВОДКА (ДВИГАТЕЛЬ И ЛИНИЯ ПАНЕЛИ ПРИБОРОВ)(№7-) ЭЛЕКТРИКА
FIT
1:1
100%

Артикул

Название

Примечание

Количество

1

20M-06-73115

WIRING HARNESS

|1

203-06-57241

FUSIBLE LINK

|1

20N-06-41650

DIODE

|1

08020-00000

DIODE

|1

20M-06-73190

GROMMET

2

08036-01414

CLIP

3

01435-01016

BOLT

4

08036-11210

CLIP

5

01435-00816

BOLT

6

20M-06-71170

PLATE

7

08034-00519

BAND

8

20N-06-41590

HORN

9

20N-06-41690

CABLE

10

01435-00610

BOLT

11

20M-06-72130

SENSOR,FUEL LEVEL

12

20M-06-72210

CABLE

13

20M-06-72230

CAP

14

08038-04030

CAP

15

01580-10806

NUT

16

20M-06-72220

CABLE

17

01435-00812

BOLT

18

20M-06-32170

WIRE ASS'Y

19

01010-50816

BOLT

20

01643-30823

WASHER

21

20M-06-72170

BRACKET

22

01435-01016

BOLT

23

20M-06-73230

WIRING HARNESS

Выбрано товаров: 27